- Partiron
- OEM Parts
- Yamaha
- motorcycle
- 1977
- YZ80D (YZ80D_E_F) 1977
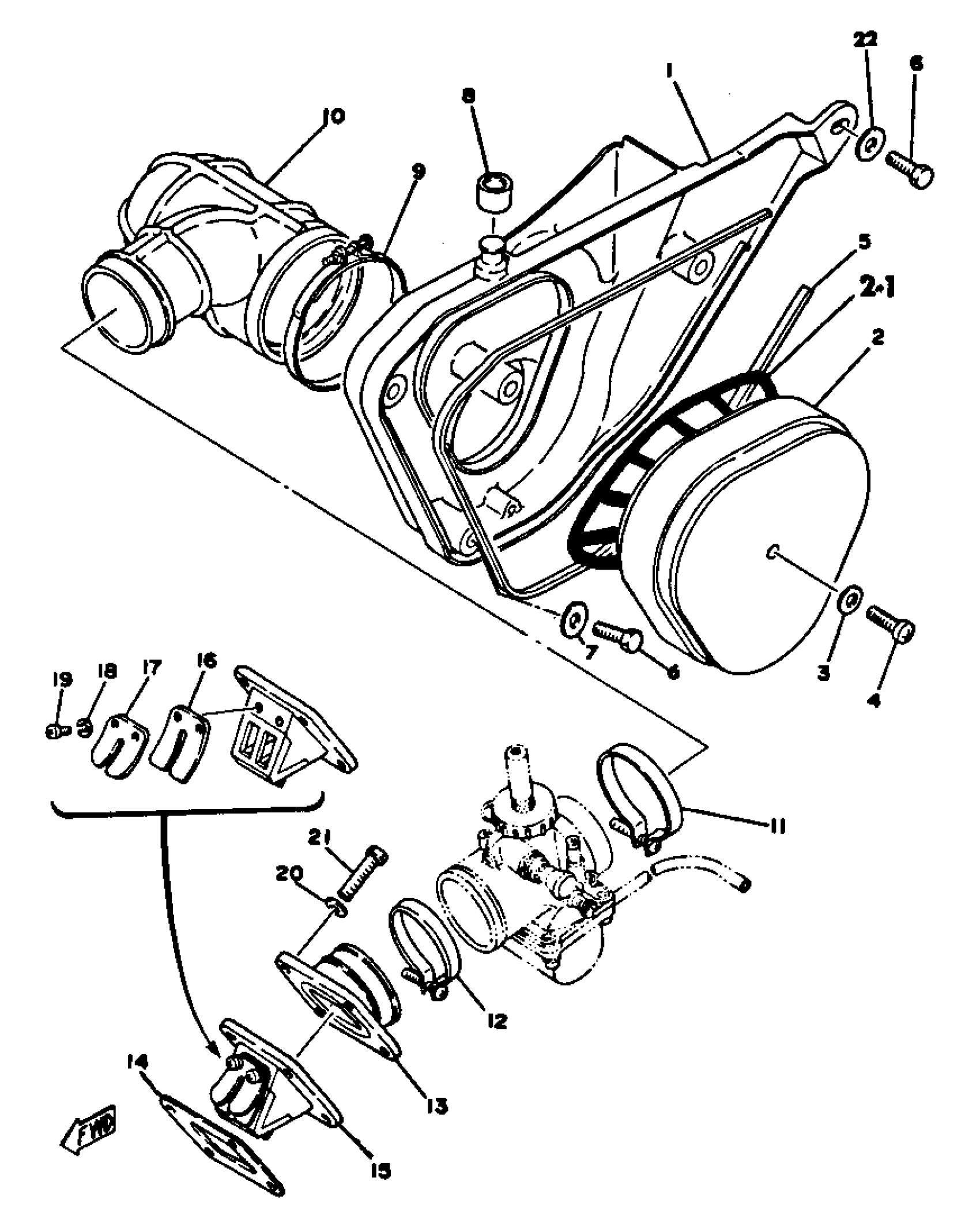
INTAKE YZ80F
Yamaha YZ80D (YZ80D_E_F) 1977 INTAKE YZ80F Diagram
#
Description
Price
1
GUIDE, ELEMENT
(2J5-14458-00-00)
Unavailable
1
CASE, AIR CLEANER 1
(2X6-14411-00-00)
Unavailable
2
ELEMENT, AIR CLNR (2J5-14451-00)
2J5-14451-09-00
Unavailable
8
GROMMET
(2J5-14435-00-00)
Unavailable
10
JOINT, AIR CLNR 1
2J5-14453-00-00
Unavailable
13
JOINT, CARBURETOR
(1T0-13565-00-00)
Unavailable
15
REED VALVE ASSY
345-13610-20-00
Unavailable
16
REED, VALVE
345-13613-70-00
Unavailable
17
. STOPPER, REED VALVE
345-13616-70-00
Unavailable
18
WASHER, SPRING
92990-03100-00
Unavailable
19
SCREW, PAN HEAD (J10)
98580-03008-00
Unavailable
20
WASHER, PLATE (4H7)
90201-061A5-00
Unavailable
21
BOLT, HEXAGON
97017-06025-00
Unavailable
22
UNAVAILABLE IN PRICE BOOK
90201-05067-00
Unavailable
