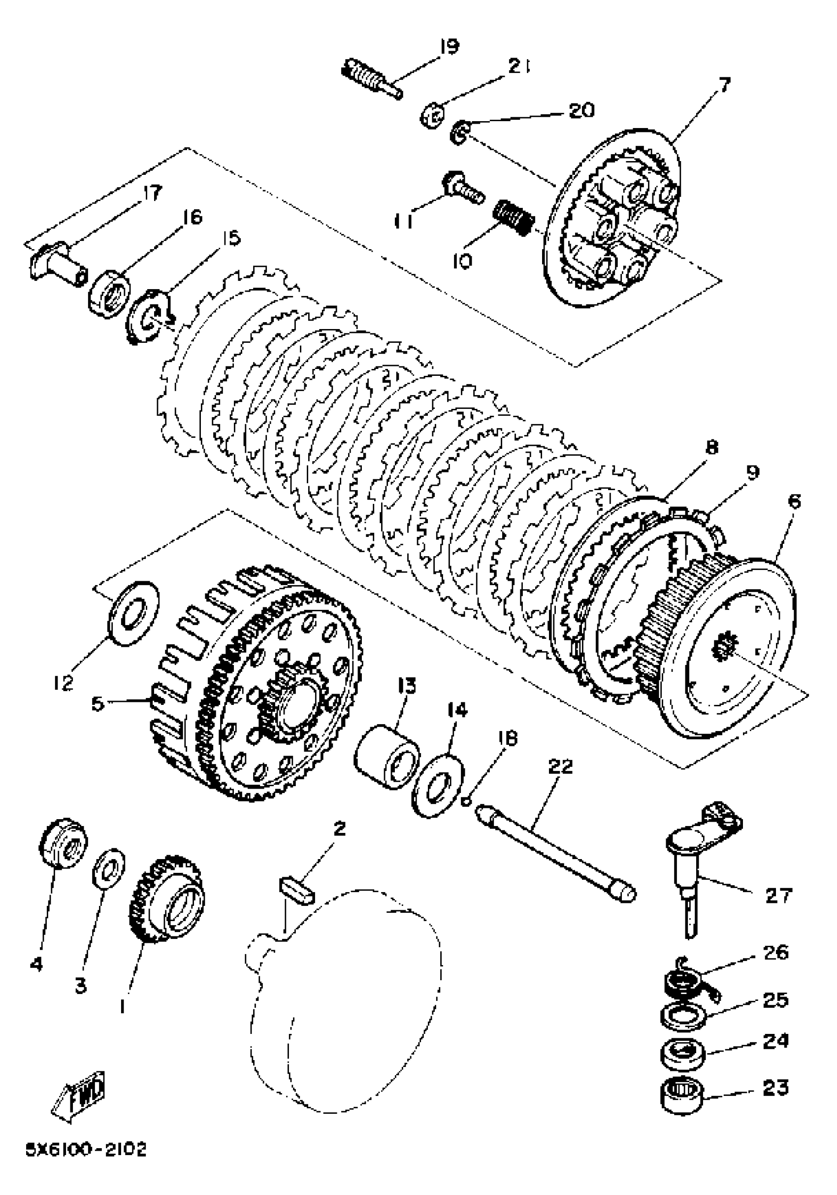
Yamaha YZ490L (YZ490L) 1984 CLUTCH Diagram
#
Description
Price
1
GEAR, PRIMARY DRIVE
23X-16111-00-00
Unavailable
3
WASHER, PLATE(39X)
90201-186H3-00
Unavailable
4
NUT, SELF-LOCKING
90185-18126-00
Unavailable
5
PRIMARY DRIVEN GEAR COMP
39X-16150-00-00
Unavailable
6
BOSS, CLUTCH
23X-16371-00-00
Unavailable
7
PLATE, PRESSURE 1
23X-16351-00-00
Unavailable
13
SPACER 1
2K7-16181-00-00
Unavailable
15
WASHER, LOCK (26J)
90215-20212-00
Unavailable
16
NUT (3R4)
90170-20255-00
Unavailable
17
ROD, PUSH 1
23X-16356-00-00
Unavailable
18
BALL (1M1)
93515-32029-00
Unavailable
19
SCREW
90149-06179-00
Unavailable
20
WASHER, SPRING
92995-06100-00
Unavailable
21
NUT, HEXAGON
95380-06600-00
Unavailable
22
ROD, PUSH 2 001
3R5-16357-01-00
Unavailable
23
BRG,CYL-CAL ROLLER 12G KY
93315-21721-00
Unavailable
24
OIL SEAL (15A)
93102-17263-00
Unavailable
25
WASHER PLATE 168217580000
90201-18262-00
Unavailable
26
SPRING, TORSION
90508-14423-00
Unavailable
27
PUSH LEVER ASSEMBLY
4V4-16380-00-00
Unavailable
