- Partiron
- OEM Parts
- Yamaha
- motorcycle
- 1983
- YZ490K (YZ490) 1983
KICK STARTER
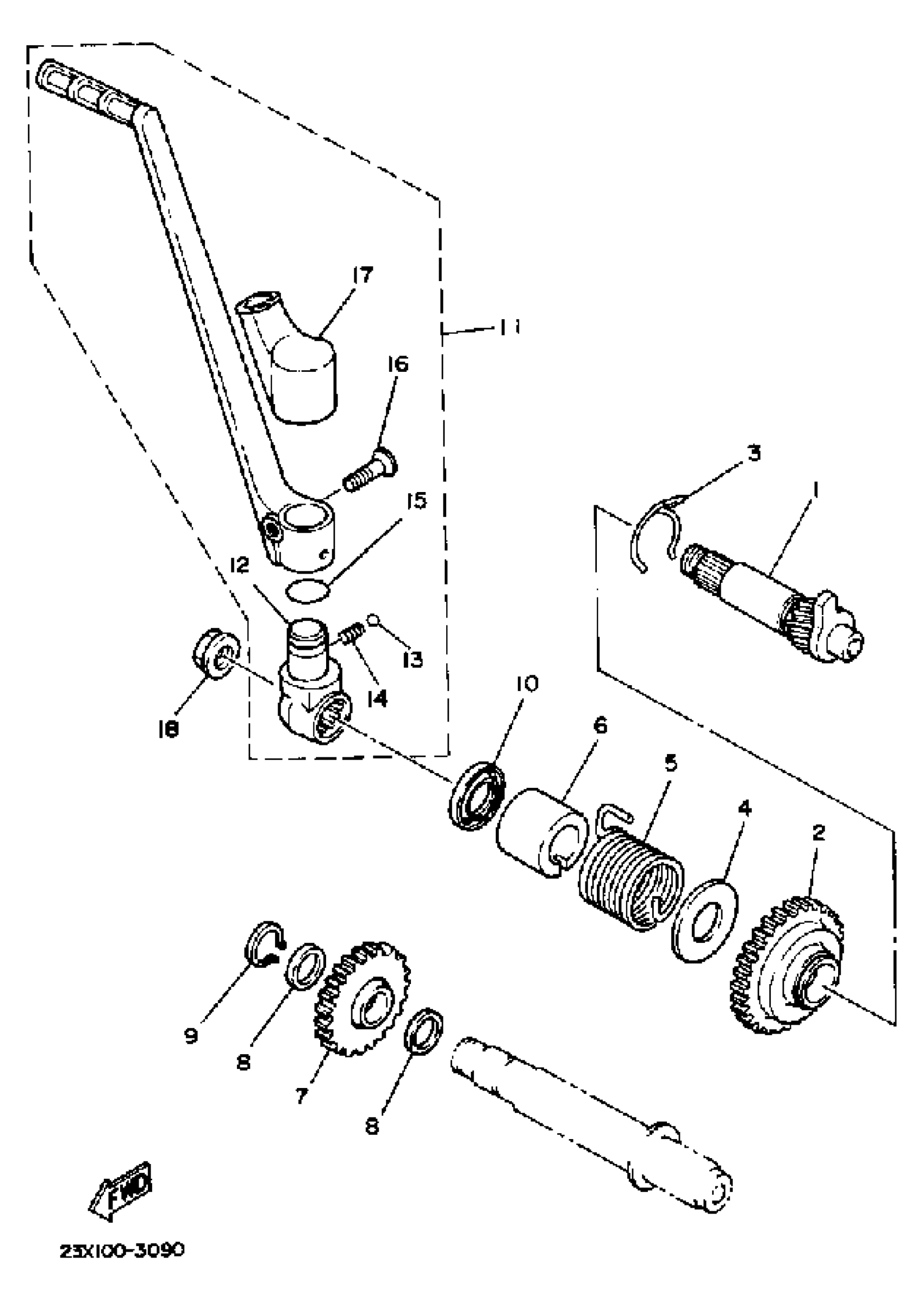
Yamaha YZ490K (YZ490) 1983 KICK STARTER Diagram
#
Description
Price
1
KICK AXLE ASSEMBLY (2X3-15660-00)
2X3-15660-01-00
Unavailable
2
GEAR, KICK
23X-15641-00-00
Unavailable
4
WASHER, PLATE
90201-20358-00
Unavailable
6
GUIDE, SPRING
3R4-15664-00-00
Unavailable
7
GEAR, KICK IDLE
23X-15651-00-00
Unavailable
11
KICK CRANK ASY
26A-15620-01-00
Unavailable
12
BOSS,KICK CRANK
23X-15621-02-00
Unavailable
16
SCREW, COUNTERSUNK (5Y1)
90152-06010-00
Unavailable
17
. COVER, KICK LEVER
23X-15618-00-00
Unavailable
18
NUT(1EE)
90179-12659-00
Unavailable
