- Partiron
- OEM Parts
- Yamaha
- motorcycle
- 1982
- YZ490J (YZ490J) 1982
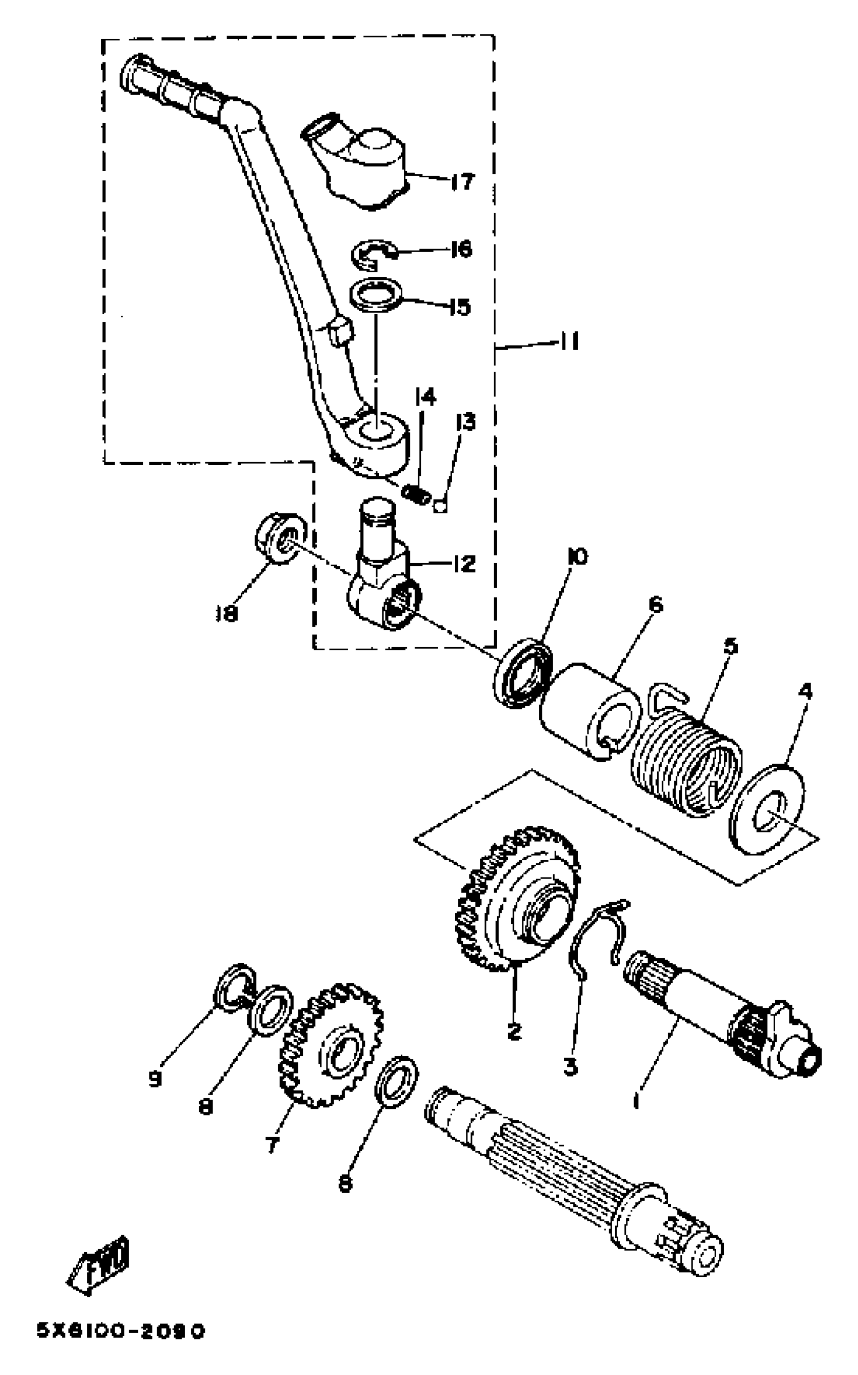
KICK STARTER
Yamaha YZ490J (YZ490J) 1982 KICK STARTER Diagram
#
Description
Price
1
AXLE, KICK
56A-15661-01-00
Unavailable
2
GEAR, KICK
3R4-15641-00-00
Unavailable
4
WASHER, PLATE
90201-20358-00
Unavailable
6
GUIDE, SPRING
3R4-15664-00-00
Unavailable
7
GEAR, KICK IDLE
3R4-15651-00-00
Unavailable
11
KICK CRANK ASSEMBLY
3R4-15620-00-00
Unavailable
12
. BOSS, KICK CRANK
3R4-15621-01-00
Unavailable
16
CIRCLIP
99006-10600-00
Unavailable
17
COVER, KICK LEVER
2K7-15618-00-00
Unavailable
18
NUT(1EE)
90179-12659-00
Unavailable
