- Partiron
- OEM Parts
- Yamaha
- motorcycle
- 1982
- YZ490J (YZ490J) 1982
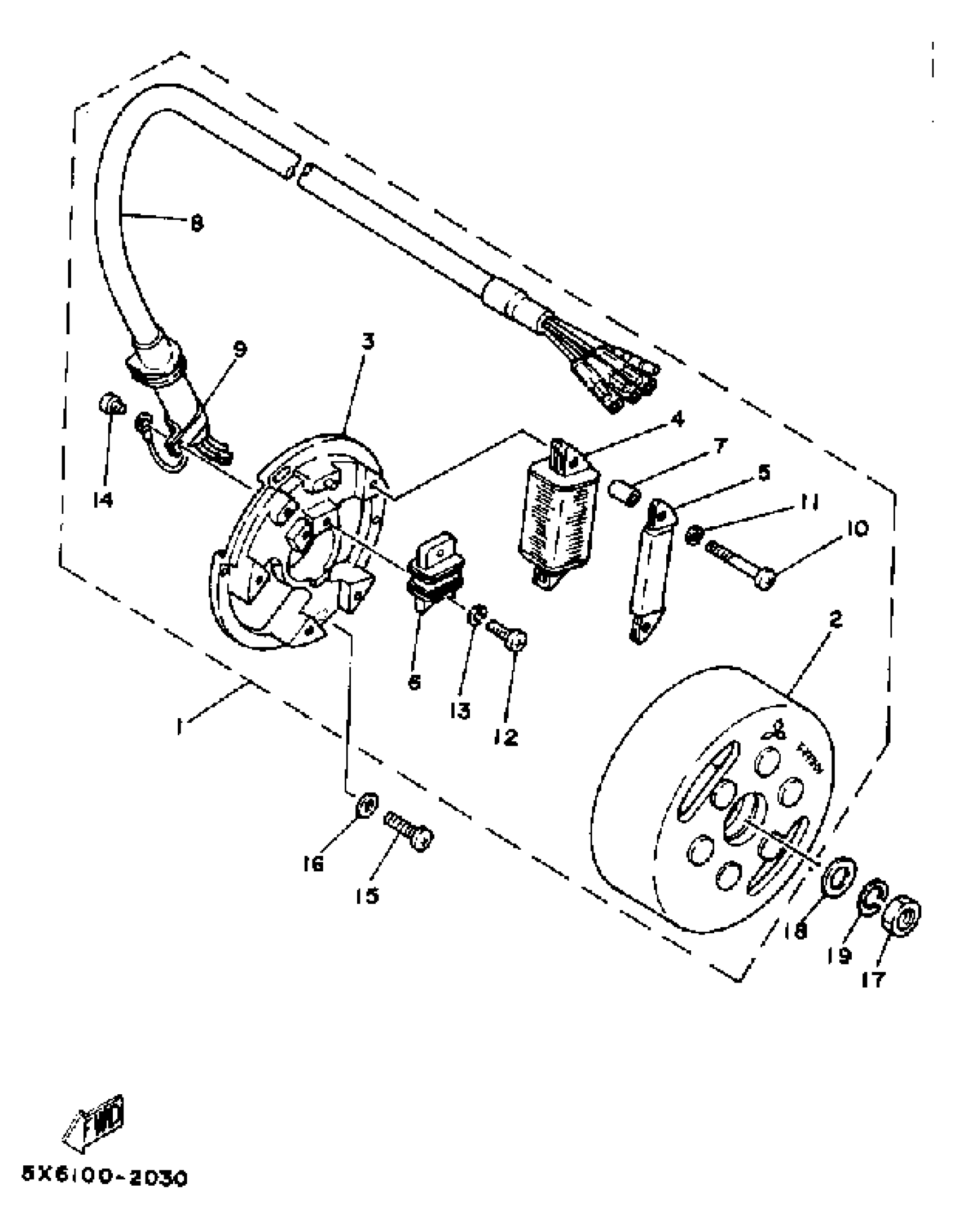
C - D - I - MAGNETO
Yamaha YZ490J (YZ490J) 1982 C - D - I - MAGNETO Diagram
#
Description
Price
1
CDI MAGNETO ASSEMBLY
3R5-85500-20-00
Unavailable
2
. ROTOR ASSEMBLY
3R5-85550-20-00
Unavailable
3
. BASE, MAGNETO
3R5-85509-20-00
Unavailable
4
. COIL SOURCE 1
3R5-85511-20-00
Unavailable
5
. COIL SOURCE 2
3R5-85512-20-00
Unavailable
6
. COIL, PULSER
4V6-85580-20-00
Unavailable
7
. SPACER
1W2-85516-20-00
Unavailable
8
LEAD WIRE ASSEMBLY
(5L5-85515-20-00)
Unavailable
14
SCREW, PAN HEAD(3XP)
98517-04006-00
Unavailable
16
WASHER, PLAIN (646)
92990-06600-00
Unavailable
17
NUT(55K)
90170-12347-00
Unavailable
18
WASHER, PLATE (583)
90201-12593-00
Unavailable
19
YBS67-12 WASHER,SPRING
92990-12100-00
Unavailable
