- Partiron
- OEM Parts
- Yamaha
- motorcycle
- 1981
- YZ465H (YZ465H) 1981
SHIFT CAM - FORK
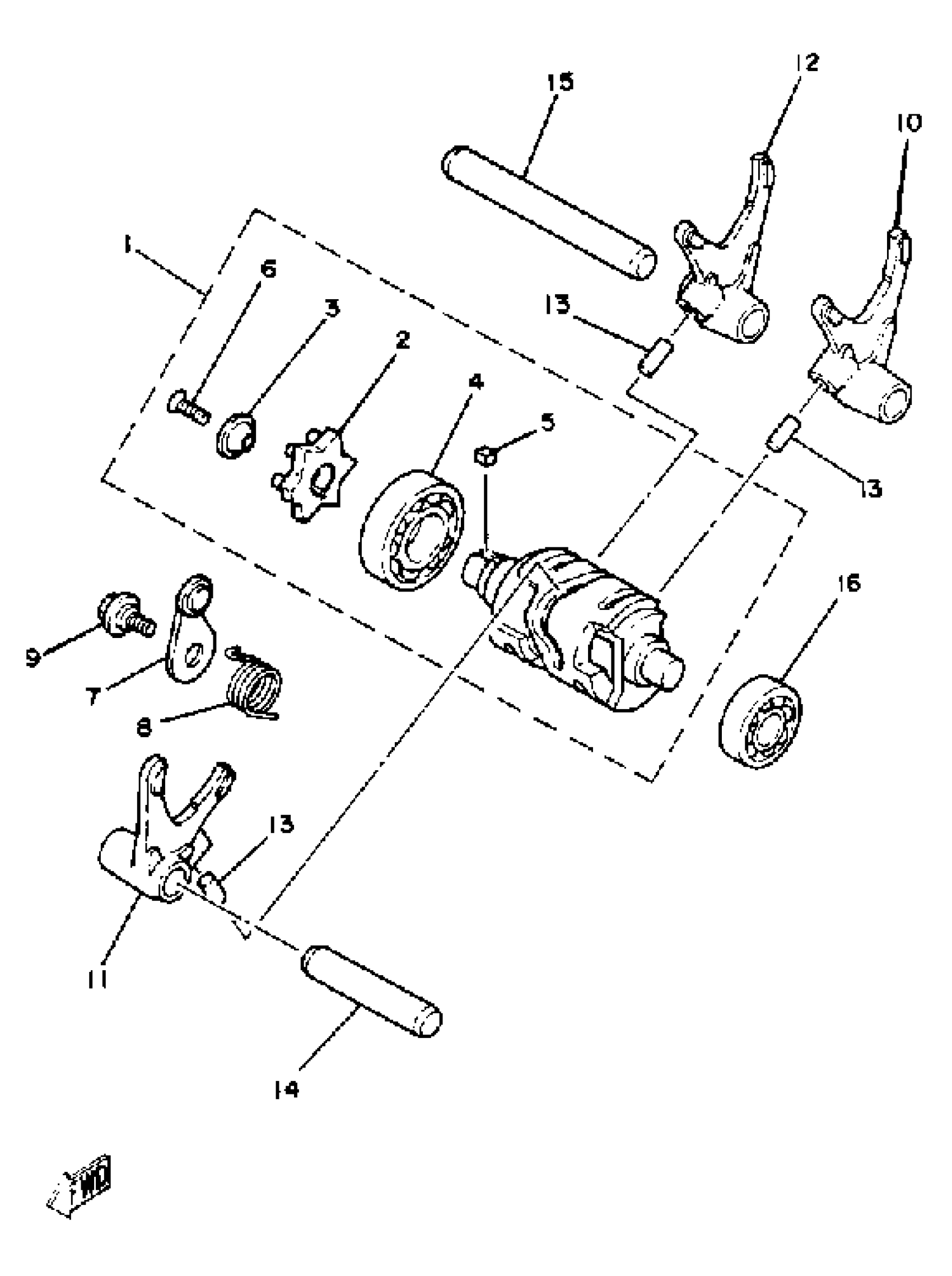
Yamaha YZ465H (YZ465H) 1981 SHIFT CAM - FORK Diagram
#
Description
Price
1
SHIFT CAM ASSEMBLY
24Y-18540-00-00
Unavailable
7
STOPPER LEVER ASSEMBLY
3R4-18140-00-00
Unavailable
8
SPRING, TORSION
90508-26421-00
Unavailable
10
FORK, SHIFT 1 (250H)
3R5-18511-00-00
Unavailable
11
FORK, SHIFT 2
3R5-18512-00-00
Unavailable
12
FORK, SHIFT 3 (250G)
3R5-18513-00-00
Unavailable
13
PIN, DOWEL (3R4)
93606-14154-00
Unavailable
14
BAR, SHIF FRK GDE 1
(4V4-18531-00-00)
Unavailable
15
BAR, SHIF FRK GDE 2 (250H)
4V4-18535-00-00
Unavailable
16
BEARING(3WF)
93306-20119-00
Unavailable
