- Partiron
- OEM Parts
- Yamaha
- motorcycle
- 2009
- YZ450FYW (YZ450F) 34P10 2009
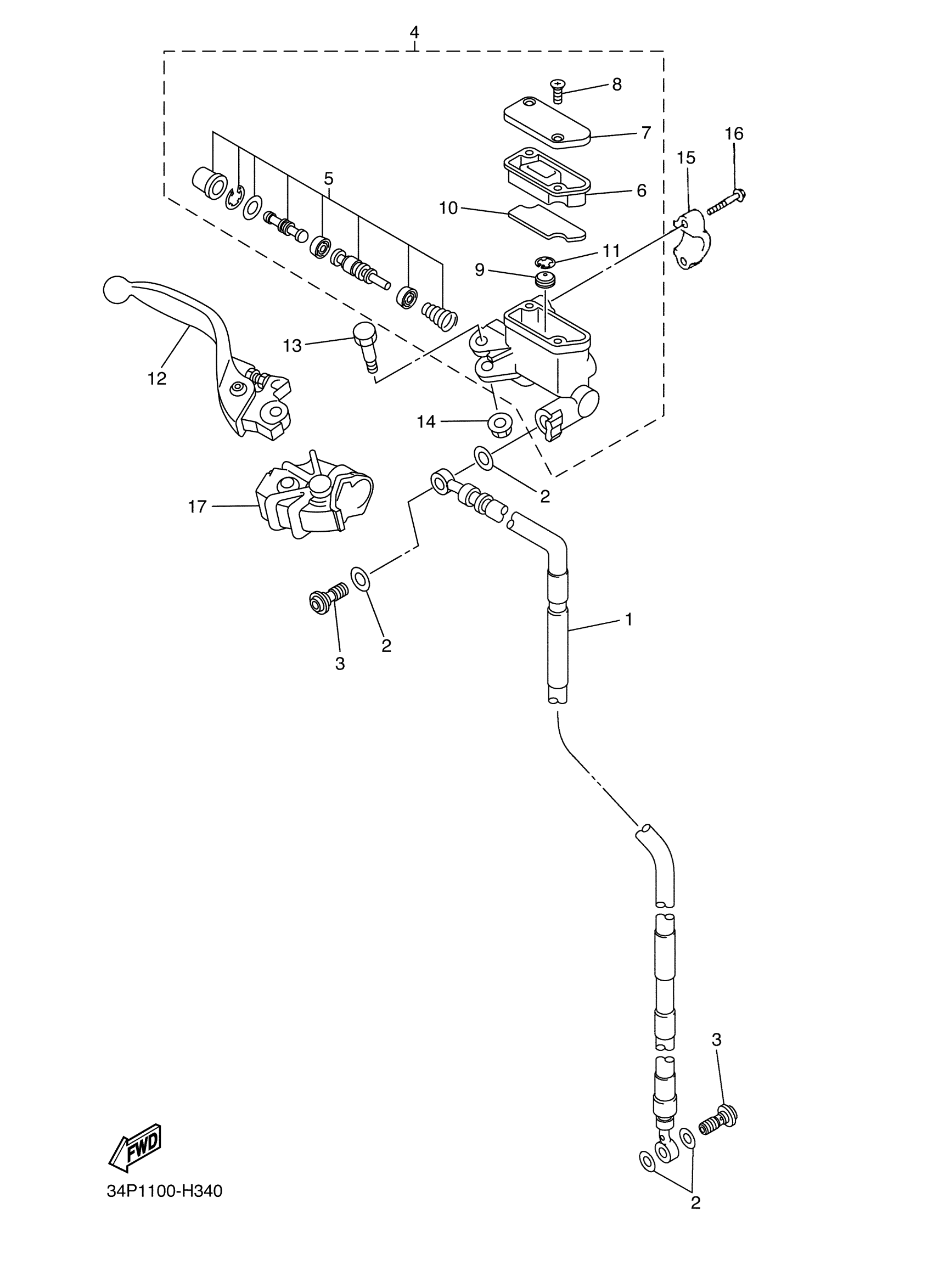
FRONT MASTER CYLINDER
Yamaha YZ450FYW (YZ450F) 34P10 2009 FRONT MASTER CYLINDER Diagram
#
Description
Price
16
BOLT, FITTING
5MV-25833-00-00
Unavailable
17
COVER, HANDLE LEVER 1
5XC-26372-G0-00
Unavailable
