- Partiron
- OEM Parts
- Yamaha
- motorcycle
- 2007
- YZ450FW (YZ450F) 2S27 2007
REAR SUSPENSION
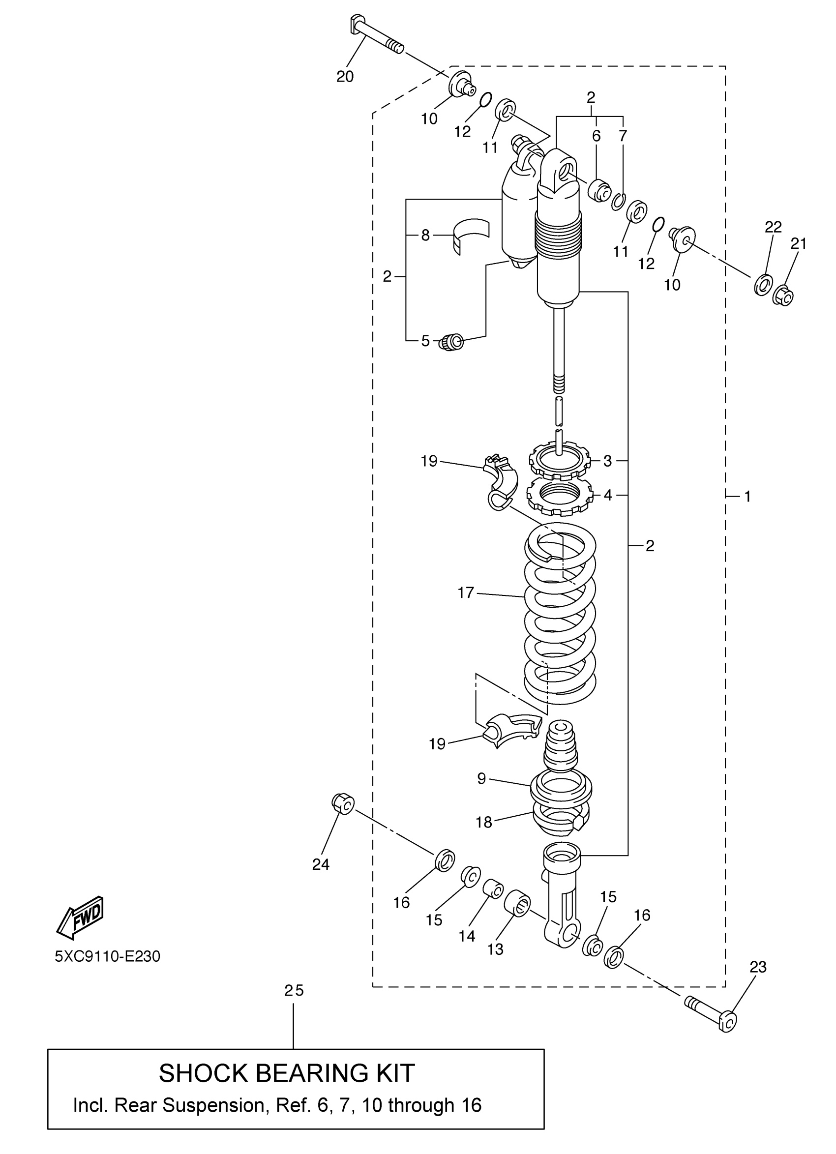
Yamaha YZ450FW (YZ450F) 2S27 2007 REAR SUSPENSION Diagram
#
Description
Price
1
SHOCK ABSORBER ASSY, REAR
2S2-22200-50-00
Unavailable
2
. DAMPER SUB ASSY
2S2-22201-50-00
Unavailable
16
SEAL, DUST
5NY-22475-00-00
Unavailable
17
. SPRING (K=54N/MM)
1C3-22212-50-00
Unavailable
18
GUIDE, SPRING 1
1C3-22214-50-00
Unavailable
19
SPRING SEAT
1C3-22565-00-00
Unavailable
20
BOLT 2
5XE-22242-01-00
Unavailable
21
NUT, S/L FLANGE
95602-10200-00
Unavailable
22
958-69527-00 WASHER, PLAIN
92990-10200-00
Unavailable
23
BOLT 1
5NY-22241-00-00
Unavailable
24
NUT, SELF-LOCKING
90185-10012-00
Unavailable
25
SHOCK BEARING KIT
1SS-W002G-00-00
Unavailable
