- Partiron
- OEM Parts
- Yamaha
- motorcycle
- 2014
- YZ450FEW (YZ450F) 1SL10 2014
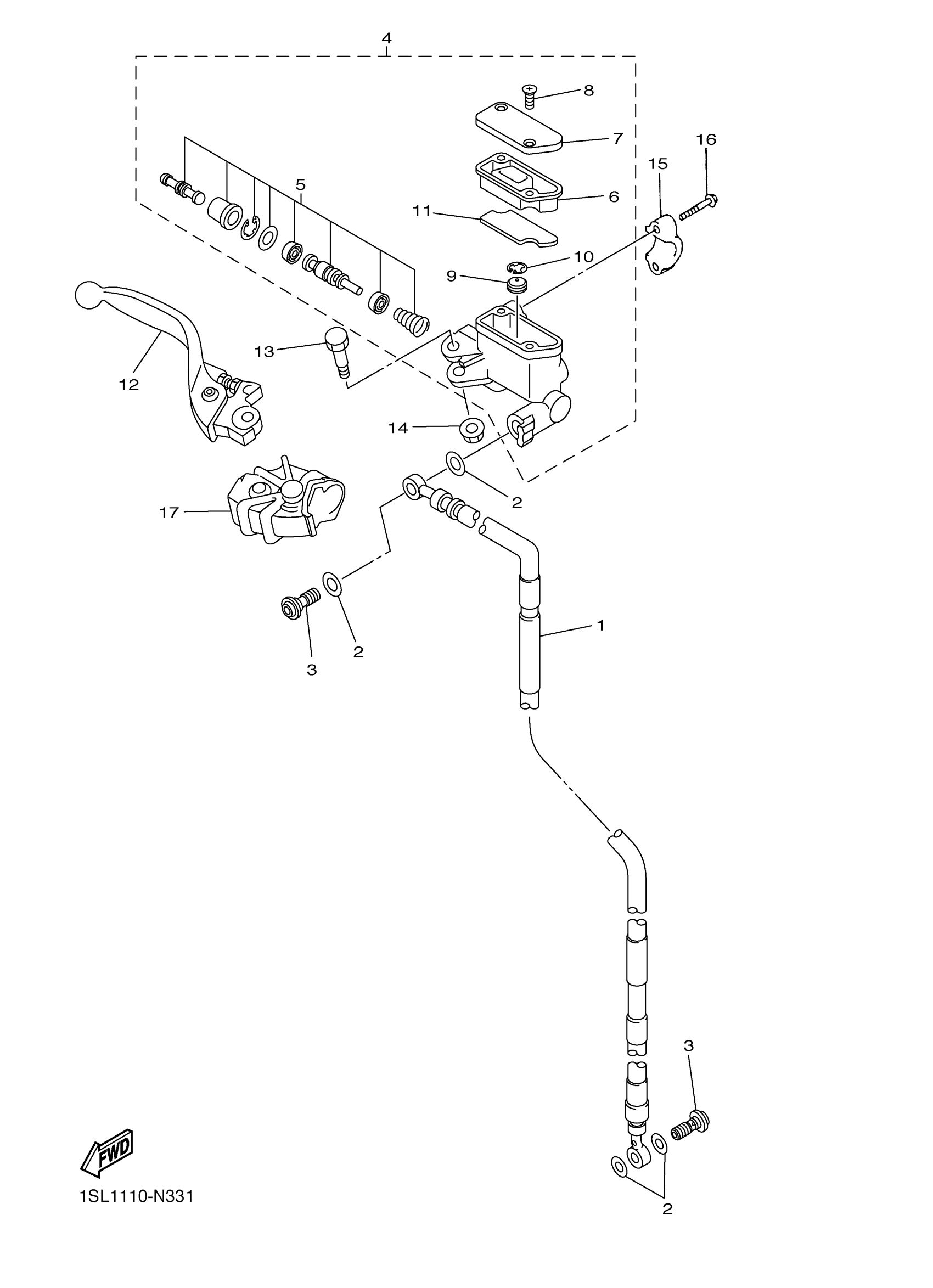
FRONT MASTER CYLINDER
Yamaha YZ450FEW (YZ450F) 1SL10 2014 FRONT MASTER CYLINDER Diagram
#
Description
Price
16
BOLT, FITTING
5MV-25833-00-00
Unavailable
17
COVER, HANDLE LEVER 1
5XC-26372-G0-00
Unavailable
