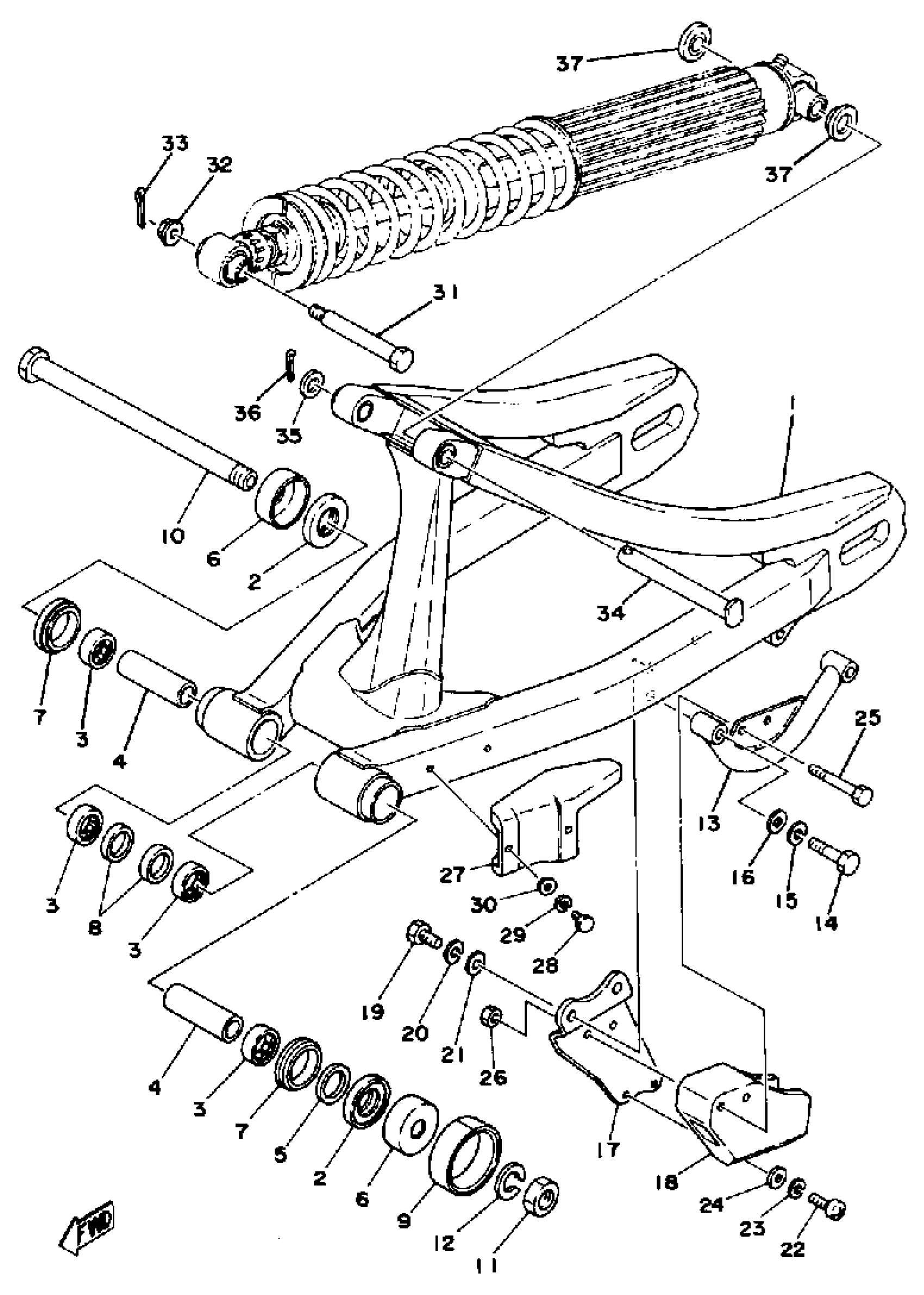
Yamaha YZ400F (YZ400F) 1979 REAR ARM Diagram
#
1
REAR ARM
(2X4-22110-01-35)
Unavailable
4
BUSH, SOLID
90380-16056-00
Unavailable
6
COVER, THRUST 2
2X4-22129-00-00
Unavailable
8
OIL SEAL, SDO-TYPE
93109-22018-00
Unavailable
10
SHAFT, PIVOT
1W4-22141-00-00
Unavailable
11
NUT
90170-16111-00
Unavailable
13
GUARD, CHAIN
3R5-22153-00-00
Unavailable
16
.. WASHER, PLATE
92990-08600-00
Unavailable
17
ARM, TENSIONER
2X4-22179-00-00
Unavailable
18
SUPPORT, CHAIN
2X4-22199-00-00
Unavailable
19
BOLT(JA9)
90101-08691-00
Unavailable
21
.. WASHER, PLATE
92990-08600-00
Unavailable
22
SCREW PAN HEAD
98580-06020-00
Unavailable
23
WASHER, SPRING
92995-06100-00
Unavailable
24
WASHER, PLAIN (646)
92990-06600-00
Unavailable
25
BOLT, HEXAGON
97013-06050-00
Unavailable
26
NUT, SELF-LOCKING
95617-06100-00
Unavailable
27
PROTECTOR, CHAIN
3R4-22147-00-00
Unavailable
28
BOLT, HEXAGON
97013-05010-00
Unavailable
29
YBS67-5 WASHER, SPRING
92990-05100-00
Unavailable
30
. WASHER, PLAIN
92990-05200-00
Unavailable
31
BOLT
90109-08480-00
Unavailable
32
NUT, SPEC''L SHAPE
90179-08243-00
Unavailable
33
PIN, COTTER
91490-20025-00
Unavailable
34
PIN,CLEVIS
90240-12059-00
Unavailable
35
WASHER, PLATE(663)
92990-12600-00
Unavailable
36
PIN, COTTER
91490-30030-00
Unavailable
37
COVER, THRUST
1W1-22128-00-00
Unavailable
