- Partiron
- OEM Parts
- Yamaha
- motorcycle
- 1976
- YZ400C (YZ400C_D_E) 1976
SHIFTER 1 YZ400D E
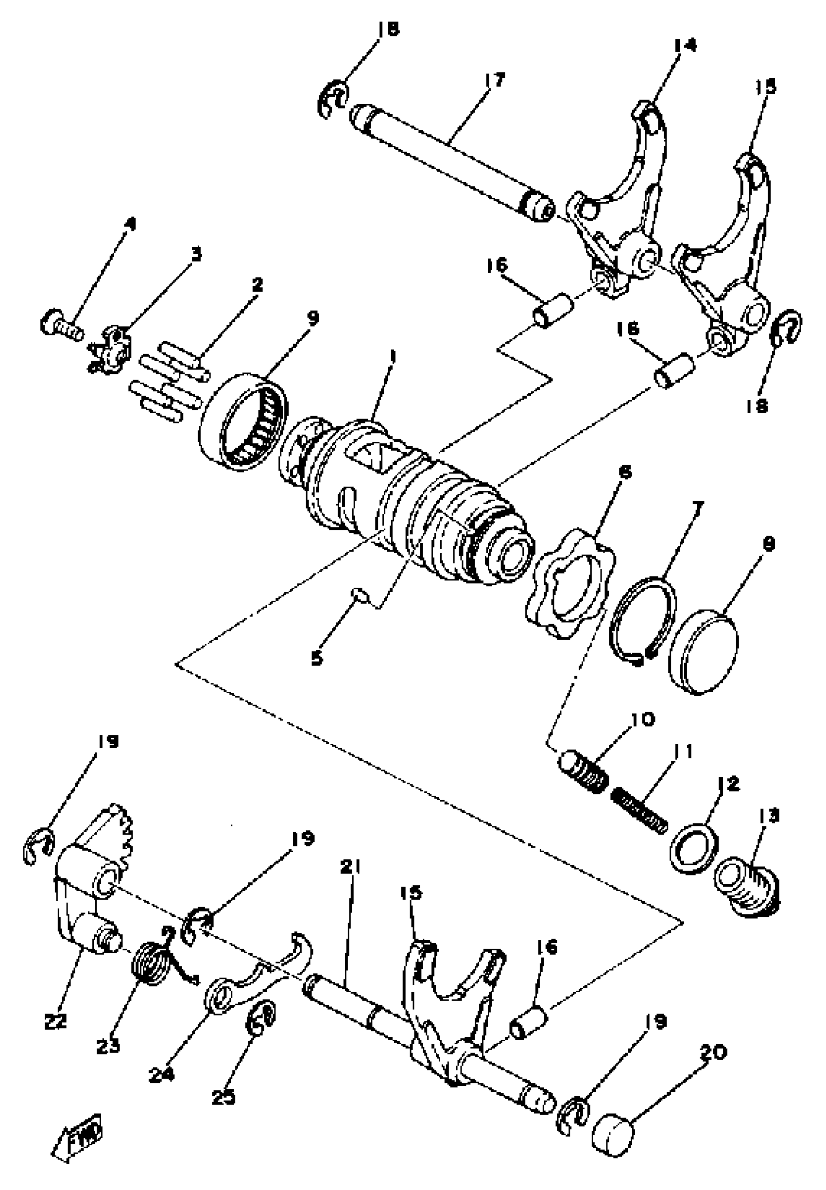
Yamaha YZ400C (YZ400C_D_E) 1976 SHIFTER 1 YZ400D E Diagram
#
Description
Price
1
CAM, SHIFT
1W4-18541-00-00
Unavailable
6
PLATE, STOPPER
360-18141-01-00
Unavailable
10
STOPPER, CAM
353-18547-00-00
Unavailable
14
FORK, SHIFT 1
1W4-18511-01-00
Unavailable
15
FORK, SHIFT 2
1W4-18512-01-00
Unavailable
16
PIN, STRAIGHT
90250-08017-00
Unavailable
17
BAR, SHIF FRK GDE 2
1W4-18535-00-00
Unavailable
18
CIRCLIP(J51)
99080-09600-00
Unavailable
19
CIRCLIP(2R6)
99001-08600-00
Unavailable
20
PLUG(12Y)
90338-16029-00
Unavailable
21
BAR, SHIFT FORK GUIDE 1
1M1-18531-00-00
Unavailable
22
LEVER, CHANGE 2
434-18122-00-00
Unavailable
23
SPRING, TORSION (1M1)
90508-08334-00
Unavailable
24
LEVER, CHANGE 3
498-18151-03-00
Unavailable
25
CIRCLIP
99080-07600-00
Unavailable
