- Partiron
- OEM Parts
- Yamaha
- motorcycle
- 1976
- YZ400C (YZ400C_D_E) 1976
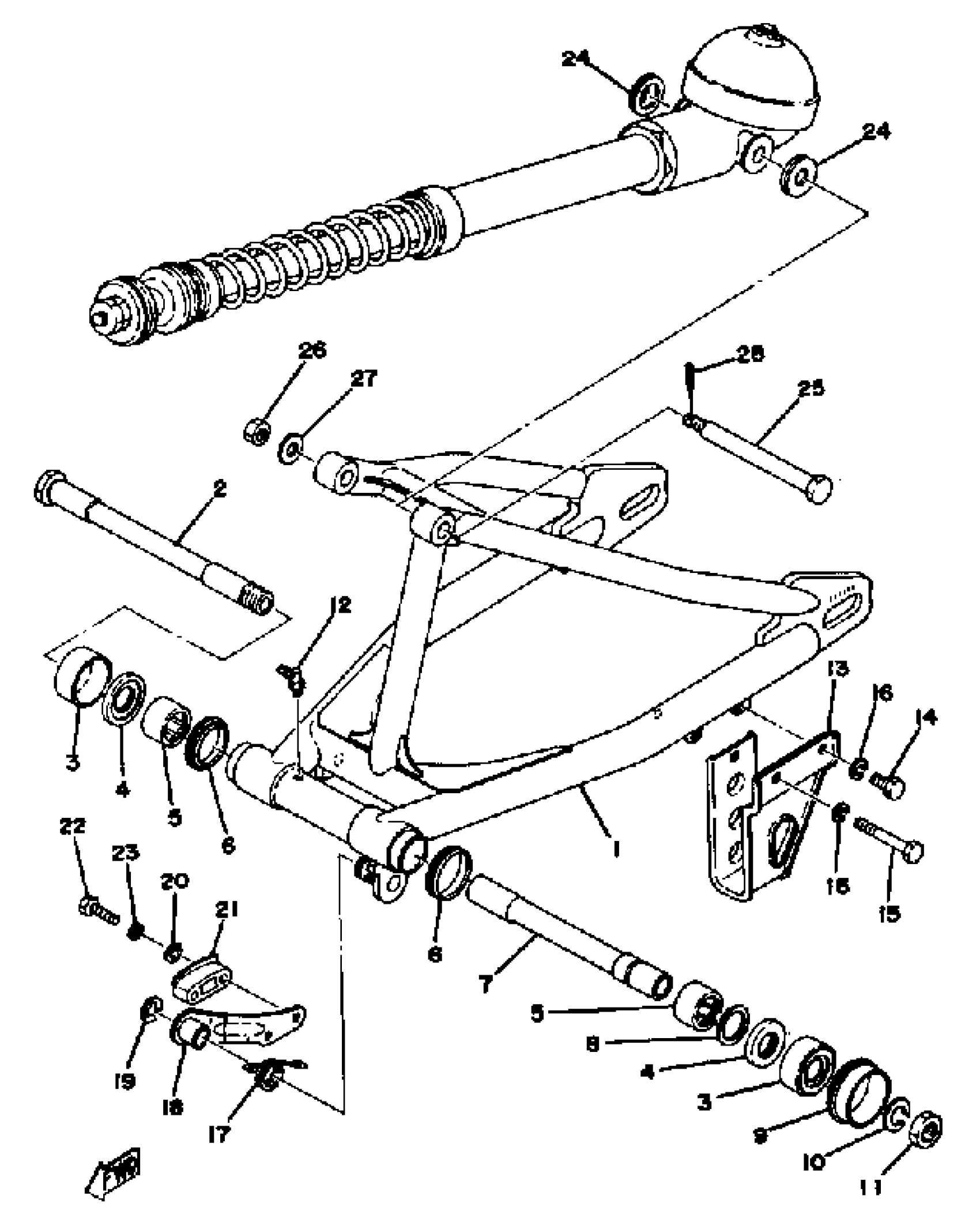
REAR ARM YZ400C
Yamaha YZ400C (YZ400C_D_E) 1976 REAR ARM YZ400C Diagram
#
Description
Price
1
REAR ARM
(509-22110-00-33)
Unavailable
2
SHAFT, PIVOT
1W4-22141-00-00
Unavailable
3
THRUST COVER (483-22129-00)
99999-00938-00
Unavailable
7
BUSH 2
483-22124-00-00
Unavailable
8
SHIM (90201-22284)
648-45533-00-02
Unavailable
11
NUT
90170-16111-00
Unavailable
13
GUARD, CHAIN
509-22153-00-33
Unavailable
14
BOLT(8CP)
97017-06014-00
Unavailable
15
BOLT, HEXAGON W/W DEEP RECESS
97E95-06555-00
Unavailable
16
WASHER, SPRING
92995-06100-00
Unavailable
17
SPRING, TORSION
90508-32310-00
Unavailable
18
ARM, TENSIONER
(509-22179-00-00)
Unavailable
19
CIRCLIP (137)
93430-10015-00
Unavailable
20
. WASHER, PLAIN
92990-05200-00
Unavailable
21
TENSIONER (2N0-22178-00-00)
ACC-11130-00-25
Unavailable
22
SCREW, PANHEAD (A93)
98580-05525-00
Unavailable
23
YBS67-5 WASHER, SPRING
92990-05100-00
Unavailable
24
COVER, THRUST 1
483-22128-00-00
Unavailable
25
BOLT
90109-08300-00
Unavailable
26
NUT(6L2)
95333-08600-00
Unavailable
27
WASHER, PLATE (8L8)
90201-087A9-00
Unavailable
28
PIN, COTTER
91490-20025-00
Unavailable
