- Partiron
- OEM Parts
- Yamaha
- motorcycle
- 1975
- YZ360B (YZ250B_360B) 1975
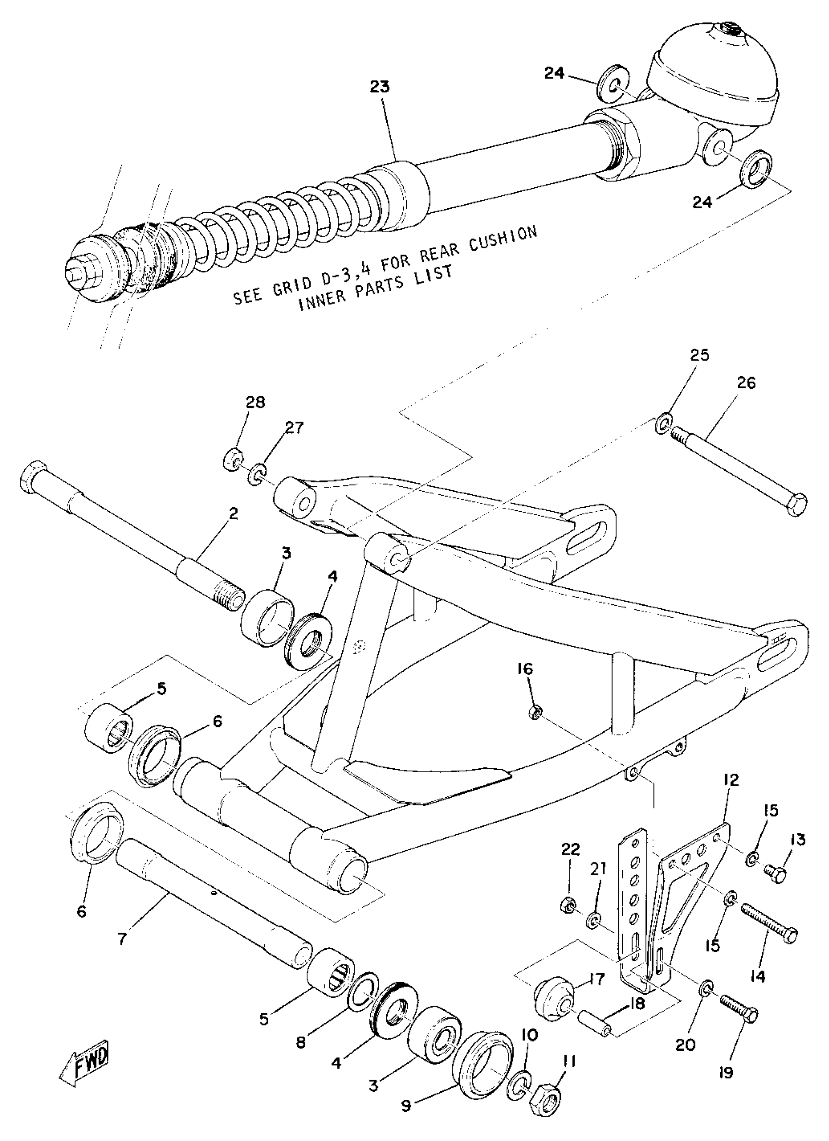
REAR ARM - REAR CUSHION
Yamaha YZ360B (YZ250B_360B) 1975 REAR ARM - REAR CUSHION Diagram
#
Description
Price
1
REAR ARM
(483-22110-03-33)
Unavailable
2
SHAFT, PIVOT
1W4-22141-00-00
Unavailable
3
THRUST COVER (483-22129-00)
99999-00938-00
Unavailable
7
BUSH 2
483-22124-00-00
Unavailable
8
SHIM (90201-22284)
648-45533-00-02
Unavailable
11
NUT
90170-16111-00
Unavailable
12
GUARD, CHAIN
322-22153-00-33
Unavailable
14
BOLT, HEXAGON
97013-06050-00
Unavailable
15
WASHER, SPRING
92995-06100-00
Unavailable
16
NUT, HEXAGON
95380-06600-00
Unavailable
17
TENSIONER
322-22178-00-00
Unavailable
18
SPACER (322-22137-00)
90560-06003-00
Unavailable
19
BOLT (682)
97095-06040-00
Unavailable
20
WASHER, SPRING
92995-06100-00
Unavailable
21
YBS66-6 WASHER, PLAIN
92990-06200-00
Unavailable
22
NUT, HEXAGON
95380-06600-00
Unavailable
23
SHK/ABS ASSEMBLY, REAR
(483-22210-02-00)
Unavailable
24
COVER, THRUST 1
483-22128-00-00
Unavailable
25
WASHER, PLATE (8L8)
90201-087A9-00
Unavailable
26
BOLT
90109-08300-00
Unavailable
27
YBS67-8 WASHER, SPRING
92990-08100-00
Unavailable
28
NUT(6L2)
95333-08600-00
Unavailable
