- Partiron
- OEM Parts
- Yamaha
- motorcycle
- 1975
- YZ360B (YZ250B_360B) 1975
FOOTREST - BRAKE PEDAL
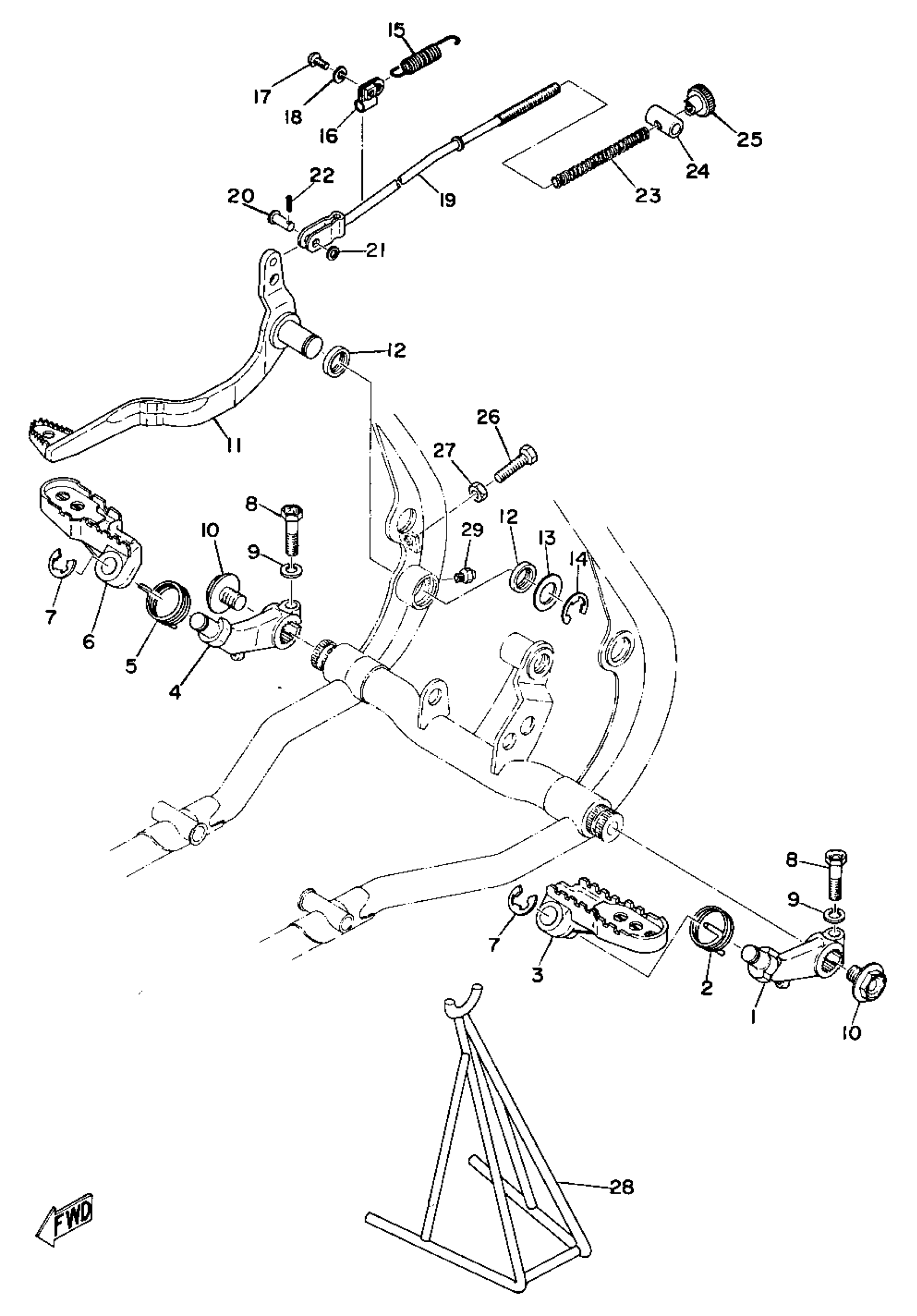
Yamaha YZ360B (YZ250B_360B) 1975 FOOTREST - BRAKE PEDAL Diagram
#
1
BRACKET, FOOTREST 1
483-27412-02-00
Unavailable
2
SPRING, TORSION
(90508-26039-00)
Unavailable
3
FOOTREST 1
(431-27411-01-00)
Unavailable
4
BRACKET, FOOTREST 2
483-27422-02-00
Unavailable
5
SPRING, TORSION (401-27456-00)
90508-26260-00
Unavailable
6
FOOTREST 2
431-27421-01-00
Unavailable
10
BOLT,HEXAGON
97017-10016-00
Unavailable
11
PEDAL, BRAKE (483-27211-00-33)
483-27211-01-33
Unavailable
12
OIL SEAL, SO-TYPE
93104-15005-00
Unavailable
14
. CIRCLIP
99001-12600-00
Unavailable
15
SPRING, TENSION
90506-18068-00
Unavailable
16
HOOK, SPRING
(322-21452-00-00)
Unavailable
17
SCREW, PAN HEAD(62X)
97885-05010-00
Unavailable
18
YBS67-5 WASHER, SPRING
92990-05100-00
Unavailable
19
ROD, BRAKE
(431-27231-00-00)
Unavailable
19
ROD, BRAKE
483-27231-00-00
Unavailable
20
PIN, CLEVIS
(90240-06027-00)
Unavailable
20
PIN, CLEVIS (24X)
90240-06103-00
Unavailable
21
YBS66-6 WASHER, PLAIN
92990-06200-00
Unavailable
22
PIN, COTTER
91490-20025-00
Unavailable
23
SPRING, (180-27236-00)
90501-10245-00
Unavailable
24
PIN 1562723700
90249-12008-00
Unavailable
25
NUT, SPEC''L SHAPE
90179-06006-00
Unavailable
26
BOLT, HEXAGON
97017-06025-00
Unavailable
27
NUT(650)
95380-06700-00
Unavailable
28
STAND, SIDE
(431-27311-00-00)
Unavailable
29
NIPPLE, GREASE
93700-06M03-00
Unavailable
