- Partiron
- OEM Parts
- Yamaha
- motorcycle
- 2009
- YZ250Y (YZ250) 1P8H 2009
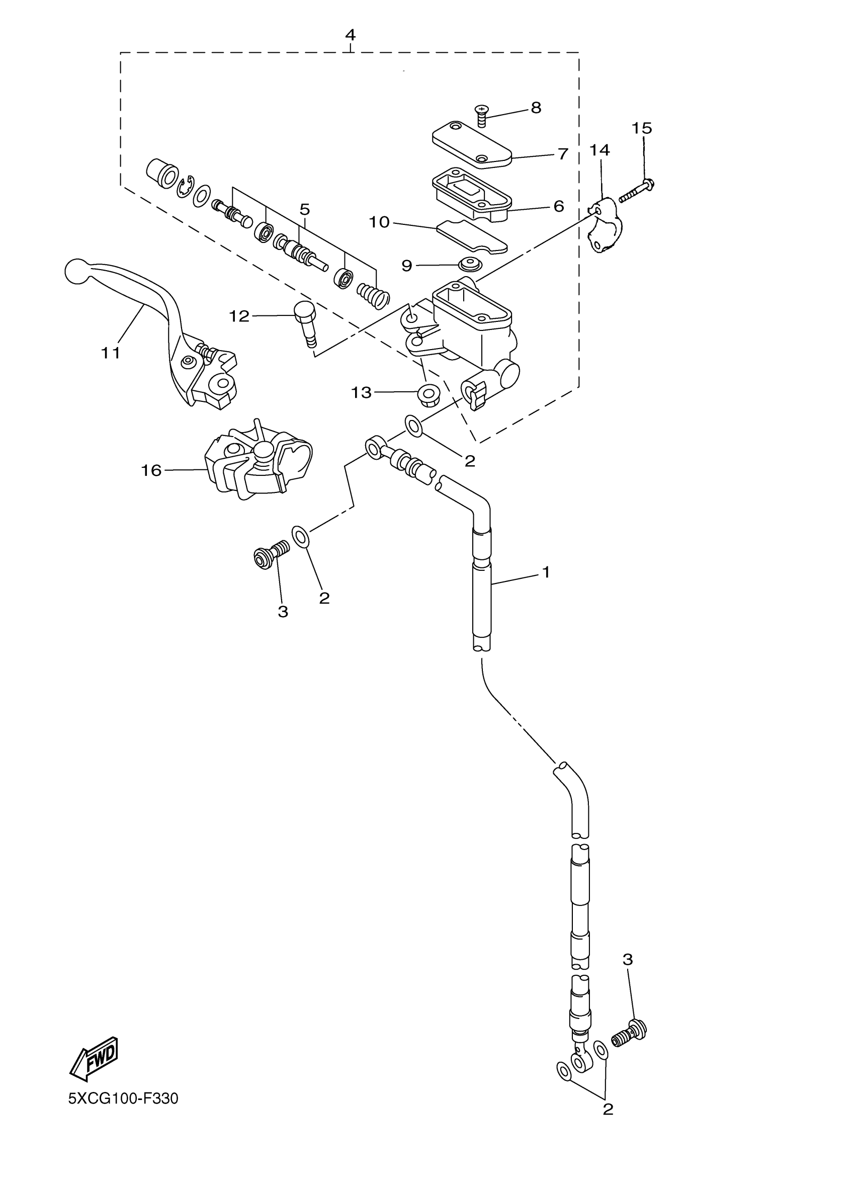
FRONT MASTER CYLINDER
Yamaha YZ250Y (YZ250) 1P8H 2009 FRONT MASTER CYLINDER Diagram
#
Description
Price
16
COVER, HANDLE LEVER 1
5XC-26372-G0-00
Unavailable
