Yamaha YZ250XP (YZ250X) BRY1 2023 STARTER Diagram
#
Description
Price
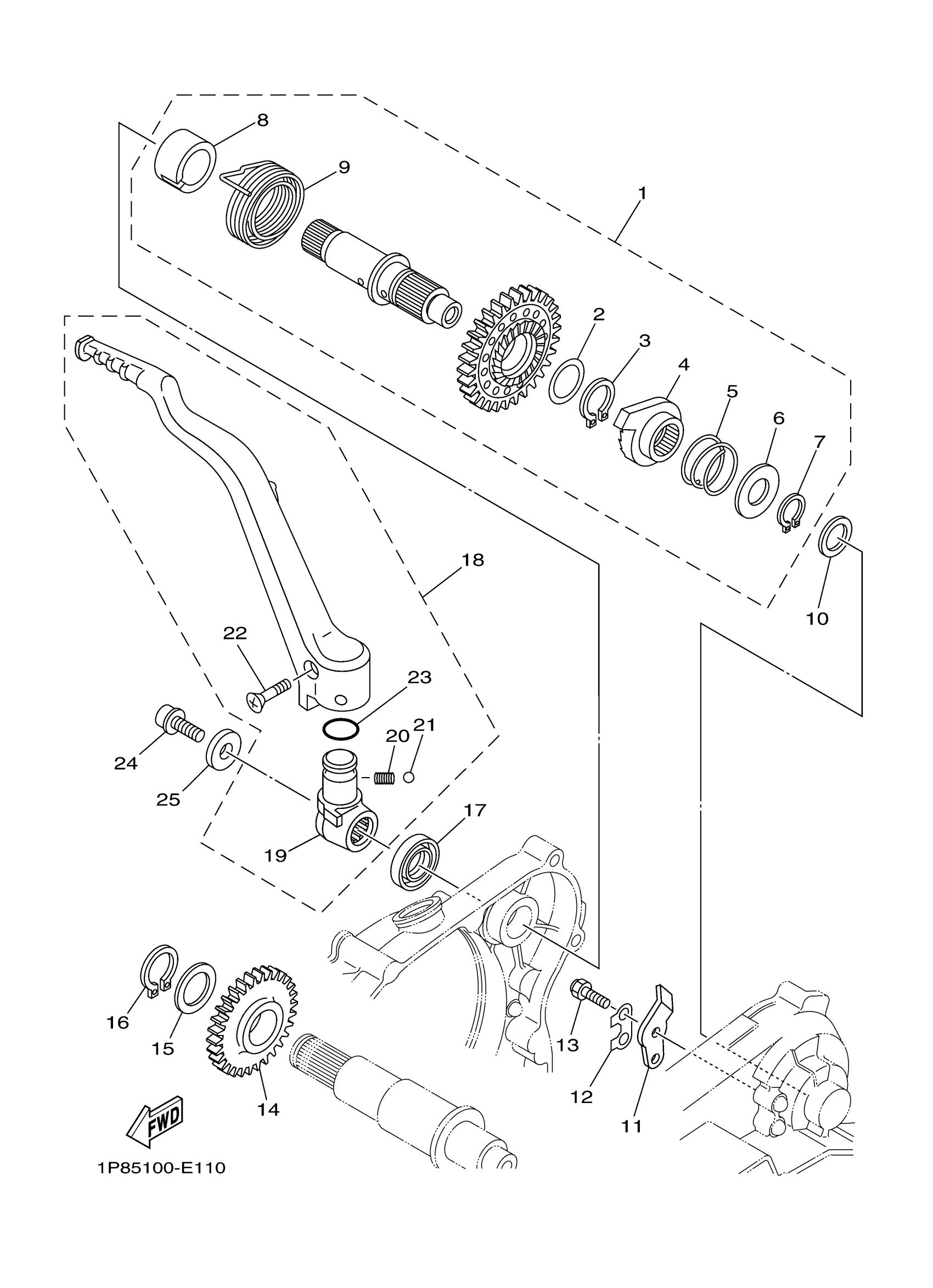
16
CIRCLIP(1AR)
99009-20400-00
Unavailable
17
OIL SEAL (22U)
93102-18278-00
Unavailable
18
KICK CRANK ASSY
5NX-15620-20-00
Unavailable
19
BOSS, KICK CRANK
5NX-15621-10-00
Unavailable
20
SPRING, COMPRESSION
90501-147A5-00
Unavailable
21
BALL (12R)
93507-32031-00
Unavailable
22
SCREW, COUNTERSUNK
90151-06045-00
Unavailable
23
O-RING(36Y)
93210-17570-00
Unavailable
24
BOLT, HEXAGON SOCKET HEAD
90110-08052-00
Unavailable
25
WASHER, PLATE
90201-08048-00
Unavailable
