- Partiron
- OEM Parts
- Yamaha
- motorcycle
- 2008
- YZ250X (YZ250) 1P8D 2008
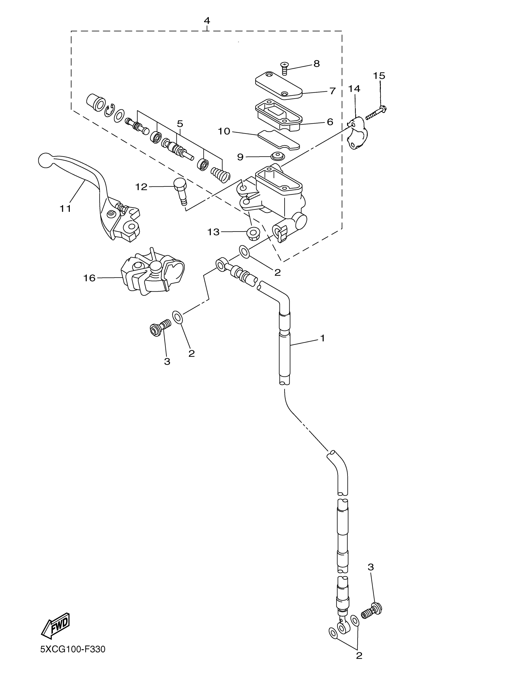
FRONT MASTER CYLINDER
Yamaha YZ250X (YZ250) 1P8D 2008 FRONT MASTER CYLINDER Diagram
#
Description
Price
16
COVER, HANDLE LEVER 1
5XC-26372-G0-00
Unavailable
