- Partiron
- OEM Parts
- Yamaha
- motorcycle
- 1990
- YZ250WRA (YZ250WRA) 1990
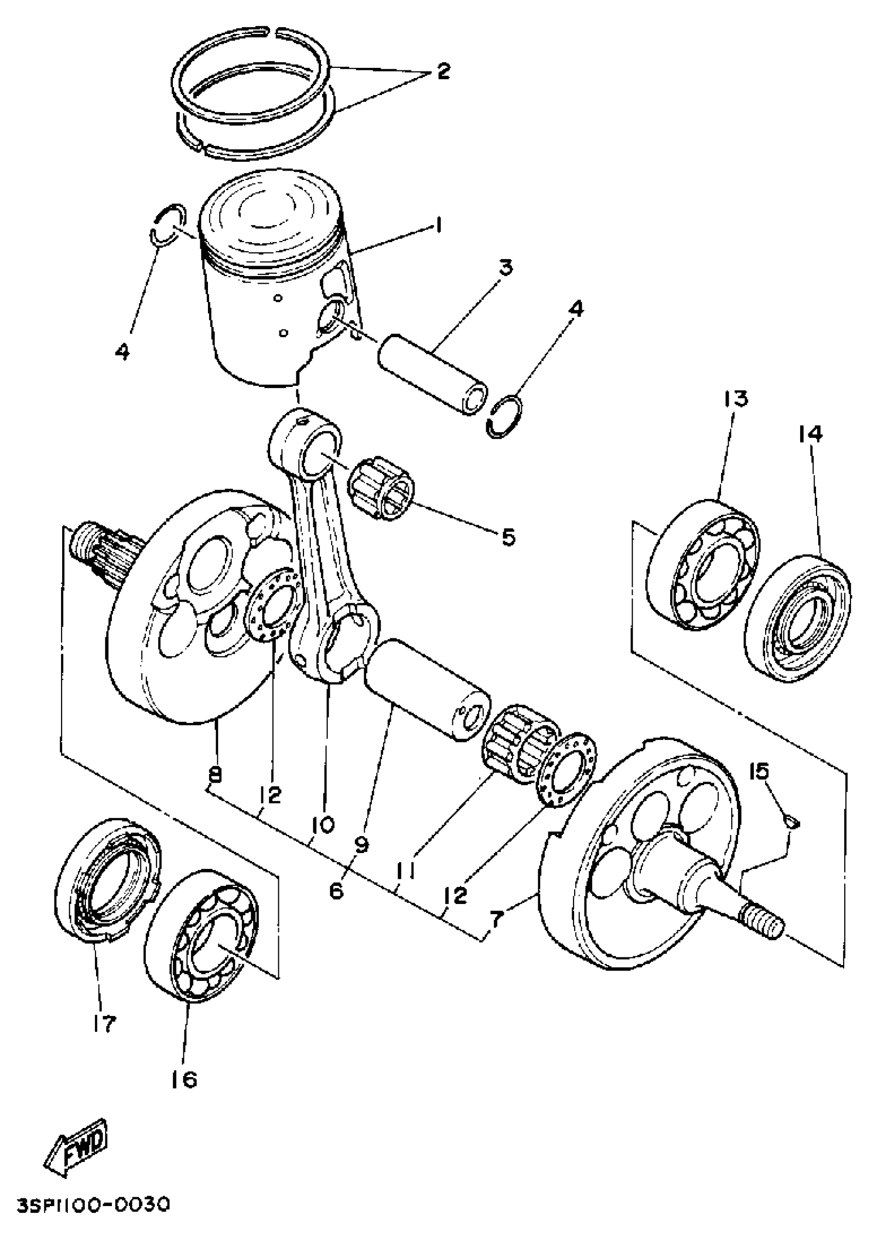
CRANKSHAFT - PISTON
Yamaha YZ250WRA (YZ250WRA) 1990 CRANKSHAFT - PISTON Diagram
#
Description
Price
1
PISTON (STD)
3JE-11631-01-93
Unavailable
1
PISTON (0.25MM O/S)
3JE-11635-01-00
Unavailable
1
PISTON (0.50MM O/S)
3JE-11636-01-00
Unavailable
1
PISTON (0.75MM O/S)
3JE-11637-01-00
Unavailable
2
PISTON RING SET (STD)
56A-11601-00-00
Unavailable
2
PISTON RING SET (0.25MM O/S)
56A-11601-10-00
Unavailable
2
PISTON RING SET (0.50MM O/S)
56A-11601-20-00
Unavailable
2
PISTON RING SET (0.75MM O/S)
56A-11601-30-00
Unavailable
3
PIN, PISTON
2VM-11633-01-00
Unavailable
6
CRANKSHAFT ASSEMBLY
3SP-11400-00-00
Unavailable
7
. CRANK 1
3JE-11412-00-00
Unavailable
8
. CRANK 2
3JE-11422-00-00
Unavailable
9
PIN, CRANK 1
4SR-11681-00-00
Unavailable
10
ROD, CONNECTING
5X5-11651-03-00
Unavailable
11
BEARING, CYLINDRICAL(4JW)
93310-425P2-00
Unavailable
12
WASHER 275116850000
90209-25085-00
Unavailable
13
BEARING(4GY)
93306-37804-00
Unavailable
14
OIL SEAL(1LX)
93102-22363-00
Unavailable
15
KEY WOODRUFF 146115450000
90280-03017-00
Unavailable
16
BEARING(4GY)
93306-37804-00
Unavailable
17
OIL SEAL (434)
93103-40091-00
Unavailable
