Partiron

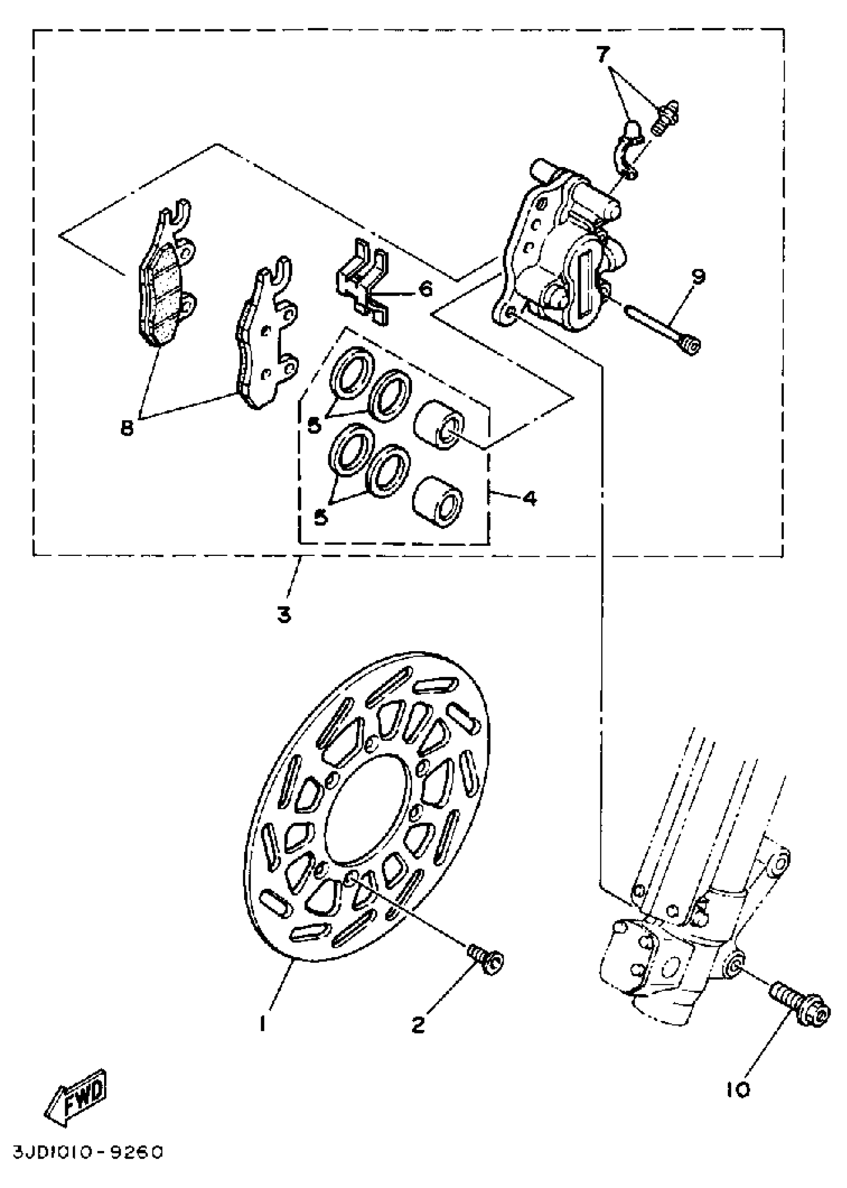
Yamaha YZ250W (YZ250W) 1989 FRONT BRAKE CALIPER Diagram

#

Description
Price

1

DISC, BRAKE FRONT

3JD-2582T-00-00

Unavailable

2

SCREW, COUNTERSUNK

90151-06080-00

$2.18

3

CALIPER ASSY,LEFT

4AA-2580T-01-00

Unavailable

4

. PISTON ASSEMBLY, CALIPER

3JD-W0057-00-00

Unavailable

5

CALIPER SEAL KIT

3JD-25803-00-00

$21.99

6

SUPPORT, PAD

3JD-25919-00-00

$27.99

7

BLEED SCREW KIT

36Y-W0048-00-00

$9.99

8

BRAKE PAD KIT

3SP-W0045-00-00

Unavailable

9

PIN, PAD

3GD-25933-00-00

$28.99

10

BOLT, FLANGE

95817-08035-00

$9.49