- Partiron
- OEM Parts
- Yamaha
- motorcycle
- 1988
- YZ250U (YZ250) 1988
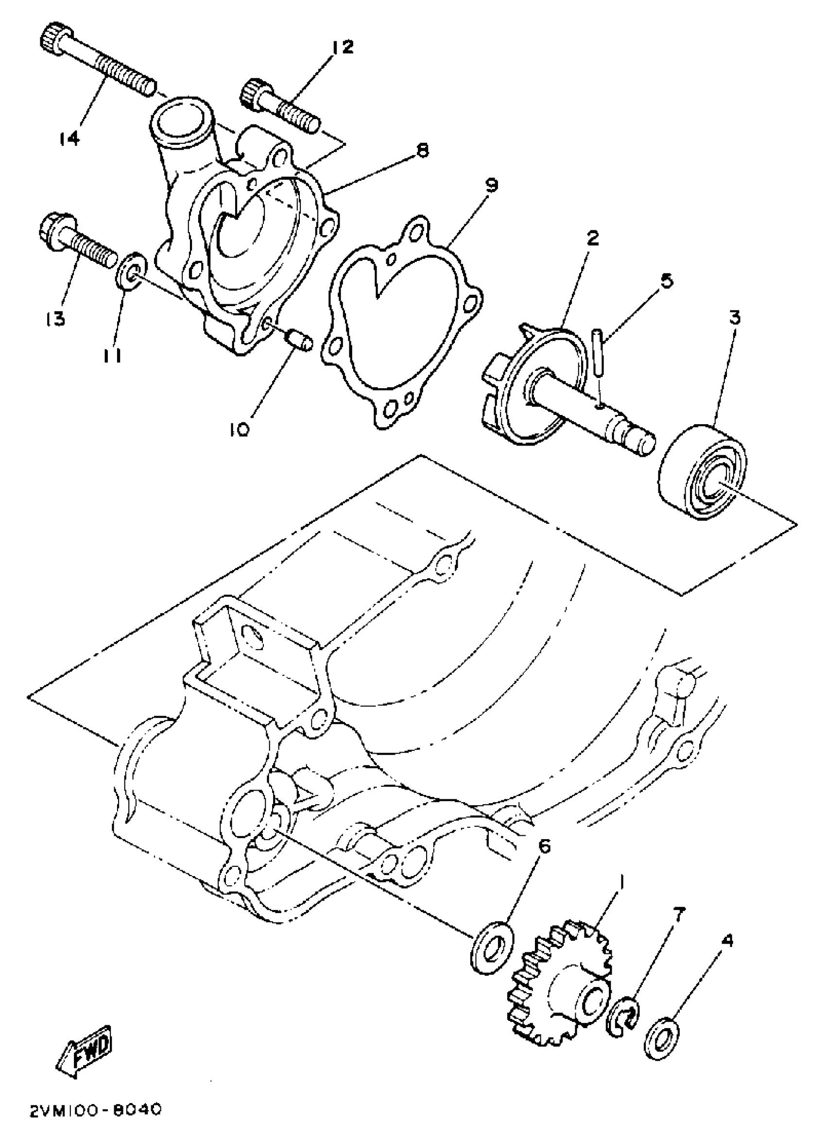
WATER PUMP
Yamaha YZ250U (YZ250) 1988 WATER PUMP Diagram
#
Description
Price
1
GEAR,IMPELLER SHAF
4SR-12459-00-00
Unavailable
2
IMPELLER SHAFT ASSEMBLY
2VM-12450-00-00
Unavailable
8
COVER, HOUSING
2VM-12422-00-00
Unavailable
13
BOLT, FLANGE
95817-06025-00
Unavailable
