- Partiron
- OEM Parts
- Yamaha
- motorcycle
- 2005
- YZ250T1 (YZ250) 1P81 2005
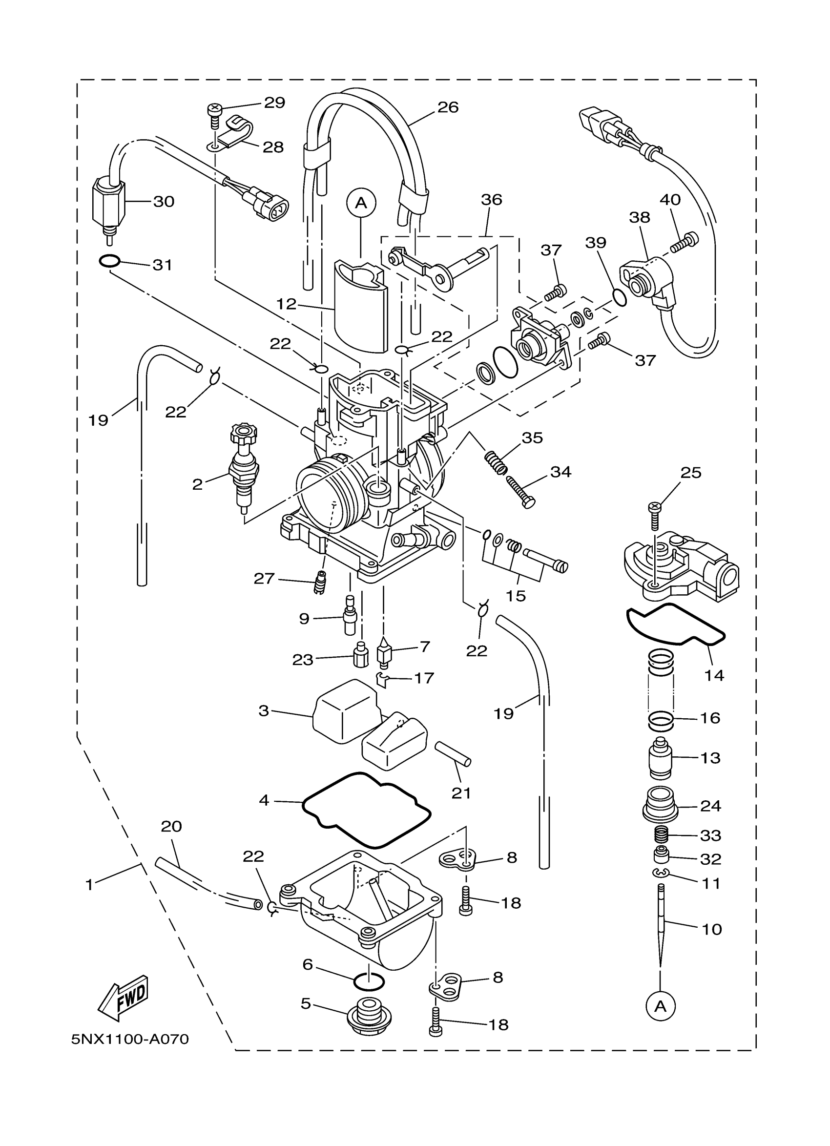
CARBURETOR
Yamaha YZ250T1 (YZ250) 1P81 2005 CARBURETOR Diagram
#
1
CARBURETOR ASSY 1
1P8-14101-00-00
Unavailable
9
JET, PILOT (#55)
4MX-14948-09-00
Unavailable
9
JET, SLOW (#58)
4MX-14948-10-00
Unavailable
9
JET, SLOW (#60)
4MX-14948-11-00
Unavailable
9
JET, SLOW (#62)
4MX-14948-12-00
Unavailable
10
NEEDLE (N3CJ)
4SR-14916-CJ-00
Unavailable
10
NEEDLE (N3CK)
4SR-14916-CK-00
Unavailable
10
NEEDLE (N3EJ)
4SR-14916-EJ-00
Unavailable
10
NEEDLE
4SR-14916-EK-00
Unavailable
10
NEEDLE (N3EW)
4SR-14916-EW-00
Unavailable
10
NEEDLE
4SR-14916-RJ-00
Unavailable
10
NEEDLE
4SR-14916-RW-00
Unavailable
11
CLIP
4MX-14919-00-00
Unavailable
12
VALVE ASSY
5HC-14340-A7-00
Unavailable
13
HOLDER
5HC-14261-00-00
Unavailable
14
GASKET
5HC-14126-00-00
Unavailable
15
PILOT SCREW SET
4SR-14105-01-00
Unavailable
16
SPRING, THROTTLE VALVE
5HC-14131-00-00
Unavailable
17
CLIP
633-14159-00-00
Unavailable
18
SCREW, PAN HEAD(GA5)
98580-04014-00
Unavailable
19
PIPE
4XL-14197-10-00
Unavailable
20
PIPE
4XL-14196-10-00
Unavailable
21
. PIN, FLOAT ARM
663-14548-00-00
Unavailable
22
CLIP
3TJ-14137-40-00
Unavailable
23
JET, MAIN (#165)
4MX-14943-40-00
Unavailable
23
JET, MAIN (#170)
4MX-14943-41-00
Unavailable
23
JET, MAIN (#175)
4MX-14943-42-00
Unavailable
23
JET, MAIN (#180)
4MX-14943-43-00
Unavailable
23
JET, MAIN (#185)
4MX-14943-44-00
Unavailable
23
JET, MAIN (#190)
4MX-14943-45-00
Unavailable
23
JET, MAIN (#162)
4MX-14943-90-00
Unavailable
23
JET, MAIN (#168)
4MX-14943-91-00
Unavailable
23
JET, MAIN (#172)
4MX-14943-92-00
Unavailable
23
JET, MAIN (#178)
4MX-14943-93-00
Unavailable
23
JET, MAIN (#182)
4MX-14943-94-00
Unavailable
23
JET, MAIN (#188)
4MX-14943-95-00
Unavailable
24
RING
4MX-14194-00-00
Unavailable
25
SCREW, PAN HEAD
98511-04012-00
Unavailable
26
HOSE
4XL-1410E-00-00
Unavailable
27
JET (#40)
4JT-1494F-03-00
Unavailable
27
JET (#50)
4JT-1494F-07-00
Unavailable
27
JET (#55)
4JT-1494F-09-00
Unavailable
27
JET (#60)
4JT-1494F-11-00
Unavailable
27
JET (#65)
4JT-1494F-13-00
Unavailable
28
PLATE
1P8-14146-01-00
Unavailable
29
. SCREW, PAN HEAD
98580-04006-00
Unavailable
30
. FUEL CUT SOLENOID VALVE
5NX-1410H-00-00
Unavailable
31
O-RING
4JT-14147-00-00
Unavailable
32
COLLAR
5HC-14264-00-00
Unavailable
33
SPRING
5HC-14275-00-00
Unavailable
34
SCREW, THROTTLE
5HC-14922-00-00
Unavailable
35
SPRING, THROTTLE STOP
5HC-14934-00-00
Unavailable
36
LEVER COMP. 1
1P8-14208-00-00
Unavailable
37
SCREW
5HC-14216-09-00
Unavailable
38
. THROTTLE SENSOR ASSY
5NX-85885-00-00
Unavailable
39
O-RING
33D-14562-00-00
Unavailable
40
SCREW
1DX-14216-00-00
Unavailable
