- Partiron
- OEM Parts
- Yamaha
- motorcycle
- 1987
- YZ250T (YZ250T) 1987
REAR SHOCKS
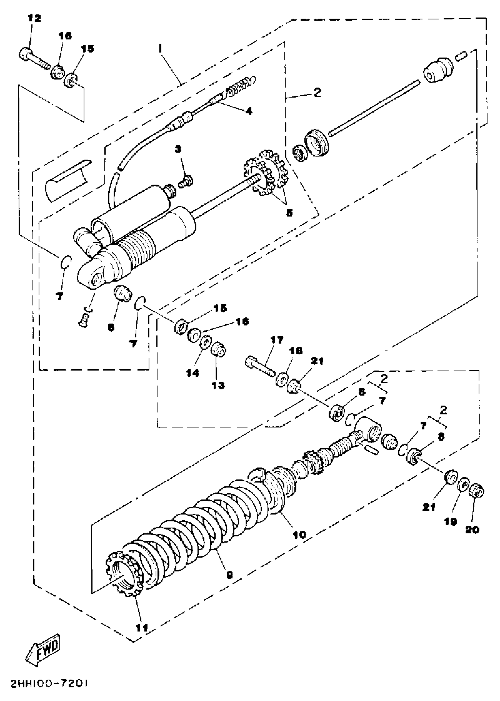
Yamaha YZ250T (YZ250T) 1987 REAR SHOCKS Diagram
#
Description
Price
1
. SHOCK ABS ASSEMBLY R
2HH-22210-00-6W
Unavailable
2
. SHOCK ABS ASSEMBLY R
2HH-22210-00-6W
Unavailable
3
SCREW, PAN HEAD(3XP)
98517-04006-00
Unavailable
4
.. CABLE, CONTROL 1
1LV-22463-00-00
Unavailable
5
.. RING, HOLD
1LX-22225-00-00
Unavailable
9
. SPRING (550) (BLACK-BLUE)
1LV-22212-00-6W
Unavailable
9
SPRING (K=5.25)
1LV-22212-10-6W
Unavailable
9
SPRING
4BF-22212-00-P0
Unavailable
10
. GUIDE, SPRING 1
2VN-22214-00-00
Unavailable
11
. SEAT, SPRING LOWER
1LX-22223-00-00
Unavailable
12
BOLT
90109-10704-00
Unavailable
14
WASHER (7A9)
90201-100F7-00
Unavailable
15
COVER
23X-22211-00-00
Unavailable
16
COLLAR (23X)
90387-127G8-00
Unavailable
17
BOLT
90109-10700-00
Unavailable
18
WASHER, PLATE
90201-12027-00
Unavailable
19
WASHER, PLATE(6TC)
90201-10M05-00
Unavailable
21
COLLAR (23X)
90387-126H8-00
Unavailable
