- Partiron
- OEM Parts
- Yamaha
- motorcycle
- 1987
- YZ250T (YZ250T) 1987
RADIATOR - HOSE
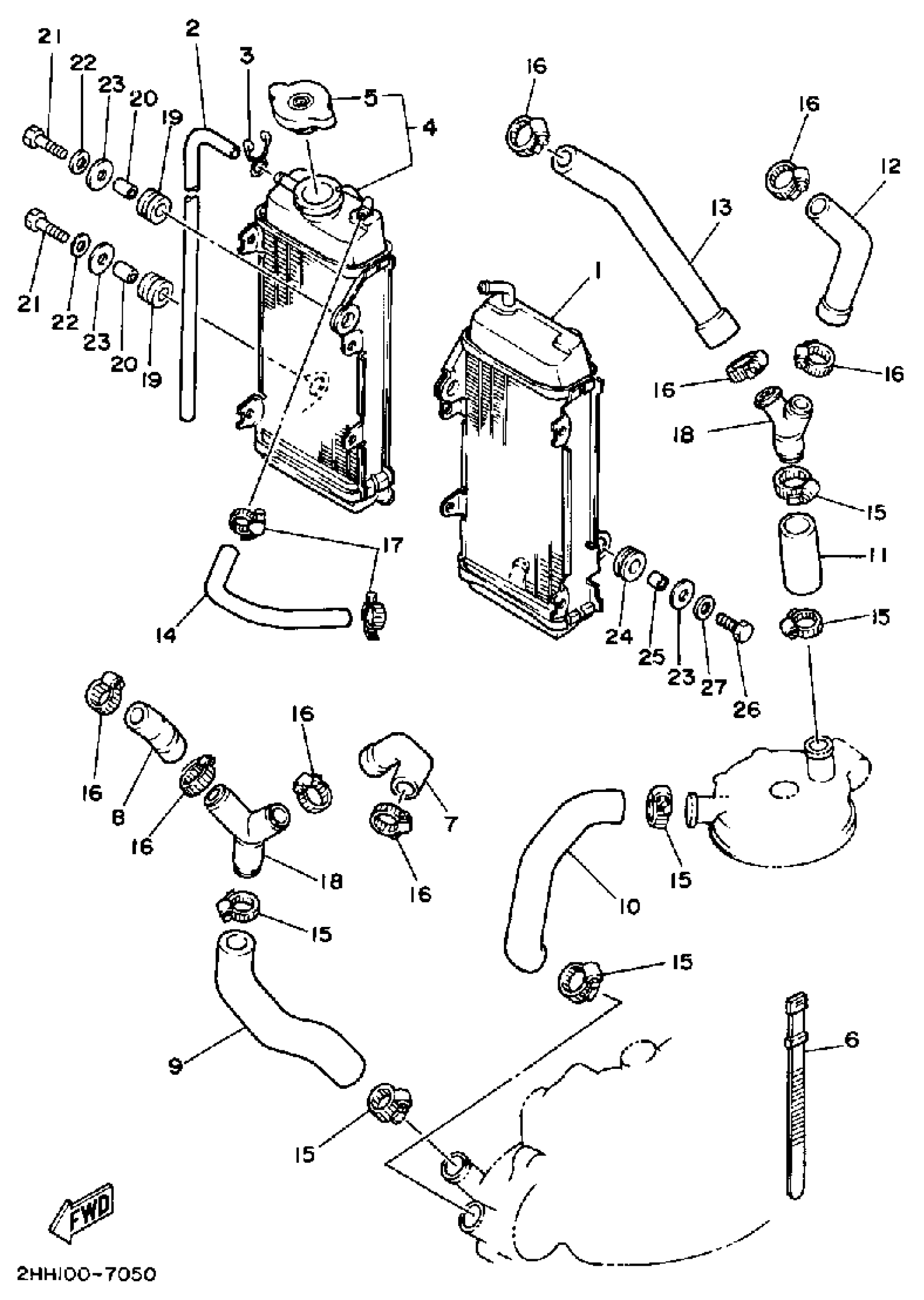
Yamaha YZ250T (YZ250T) 1987 RADIATOR - HOSE Diagram
#
Description
Price
1
RADIATOR ASSY 2
1LX-1240A-01-00
Unavailable
4
RADIATOR ASSEMBLY 2
1LU-1240A-00-00
Unavailable
7
PIPE 1
1LU-12481-00-00
Unavailable
8
PIPE 2
1LU-12482-00-00
Unavailable
9
PIPE 3
1LU-12483-00-00
Unavailable
10
PIPE 4
39X-12484-00-00
Unavailable
11
PIPE 3
3AK-12483-00-00
Unavailable
12
PIPE 6
1LU-12476-00-00
Unavailable
13
PIPE 6
1LU-12476-00-00
Unavailable
14
PIPE 8
4JW-1248A-00-00
Unavailable
16
CLAMP, HOSE
90460-25288-00
Unavailable
17
CLAMP, HOSE
90460-12268-00
Unavailable
18
JOINT 1
24X-12469-00-00
Unavailable
19
GROMMET(663)
90480-15064-00
Unavailable
20
COLLAR(2UJ)
90387-061V1-00
Unavailable
21
BOLT, HEXAGON
97017-06030-00
Unavailable
22
WASHER, PLAIN (646)
92990-06600-00
Unavailable
23
WASHER, PLATE (583 FUEL TANK)
90201-06570-00
Unavailable
24
GROMMET (4L0)
90480-18276-00
Unavailable
25
COLLAR (90387-066J9)
90387-064W1-00
Unavailable
26
BOLT, HEXAGON
97017-06020-00
Unavailable
27
WASHER, PLAIN (646)
92990-06600-00
Unavailable
