Partiron

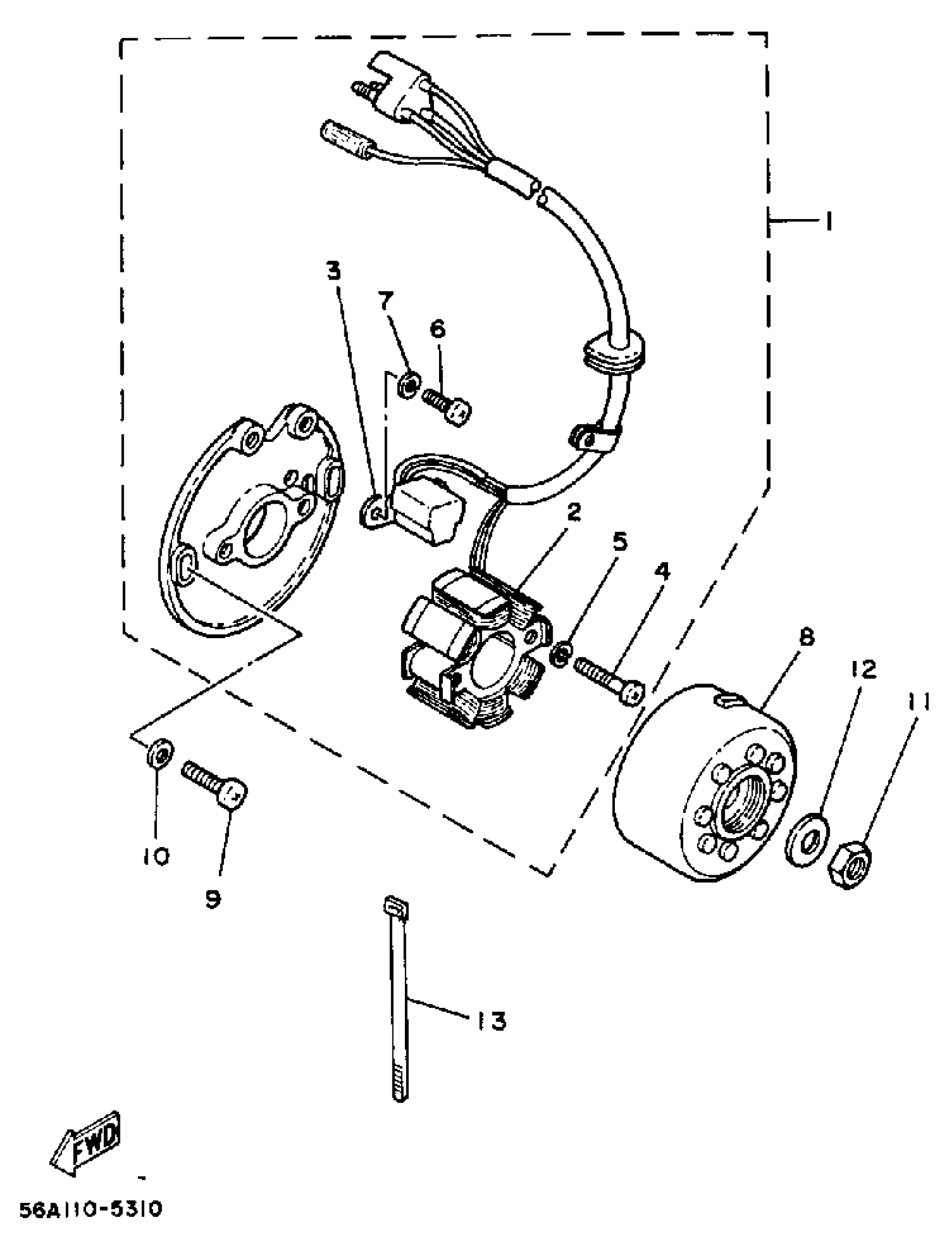
Yamaha YZ250S (YZ250) 1LU 1986 GENERATOR Diagram

#

Description
Price

1

STATOR ASSEMBLY

56A-85510-K1-00

Unavailable

2

. COIL, CHARGE

56A-85520-K0-00

Unavailable

3

. COIL, PULSER

56A-85580-K0-00

Unavailable

4

SCREW, PAN HEAD

92503-05030-00

Unavailable

5

YBS67-5 WASHER, SPRING

92990-05100-00

$0.35

6

SCREW, PAN HEAD(6B0)

97885-05016-00

Unavailable

7

YBS67-5 WASHER, SPRING

92990-05100-00

$0.35

8

ROTOR ASSEMBLY

56A-85550-K0-00

Unavailable

9

SCREW PAN HEAD

98580-06020-00

$8.49

10

WASHER, PLATE (4H7)

90201-061A5-00

$7.49

11

NUT(3BM)

95314-10600-00

$2.39

12

WASHER, PLATE (3L6)

90201-10774-00

$9.49

13

BAND, SWITCH CORD

437-83936-11-00

$4.63