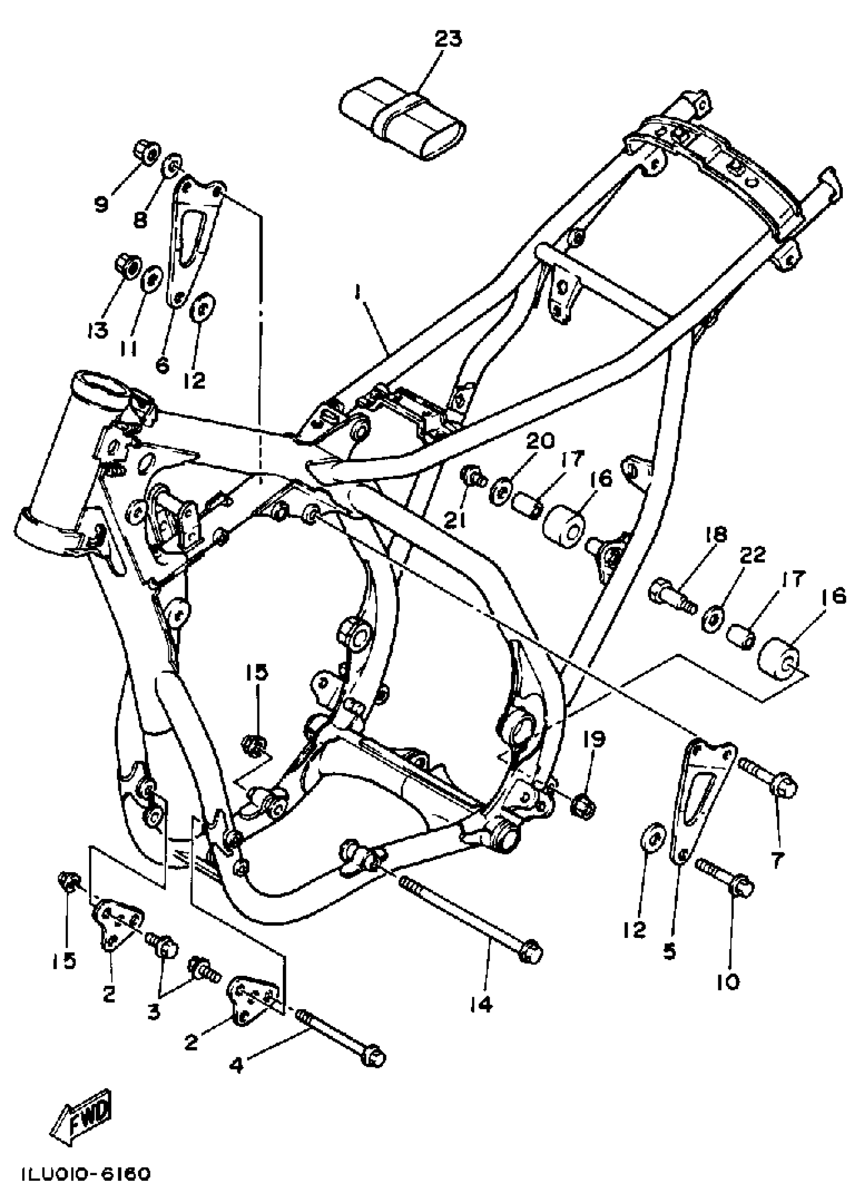
Yamaha YZ250S (YZ250) 1LU 1986 FRAME Diagram
#
Description
Price
1
FRAME
1LU-21110-00-FH
Unavailable
2
BRACKET, FRONT UPPER 1
24Y-21415-00-00
Unavailable
5
BRACKET, REAR UPPER 1
1LU-21425-00-00
Unavailable
6
BRACKET, REAR UPPER 2
1LU-21426-00-00
Unavailable
14
BOLT, FLANGE
95817-08180-00
Unavailable
16
TENSIONER
30X-22178-00-00
Unavailable
17
BUSH
4V4-22184-00-00
Unavailable
18
BOLT (23X)
90109-08705-00
Unavailable
20
WASHER, PLATE(8AT)
90201-081R9-00
Unavailable
21
BOLT, FLANGE
95817-08012-00
Unavailable
22
WASHER, PLATE
90201-13013-00
Unavailable
23
TOOL KIT (1LU-28100-00)
1LX-28100-00-00
Unavailable
