- Partiron
- OEM Parts
- Yamaha
- motorcycle
- 2003
- YZ250R (YZ250) 5UP1 2003
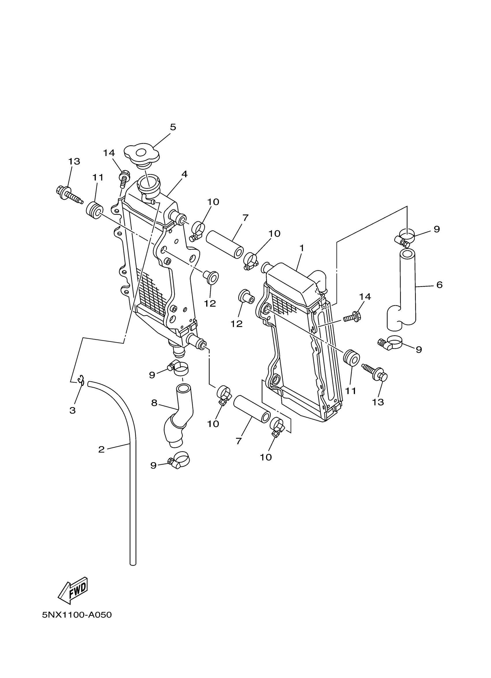
RADIATOR HOSE
Yamaha YZ250R (YZ250) 5UP1 2003 RADIATOR HOSE Diagram
#
Description
Price
8
PIPE 4
5CU-12484-11-00
Unavailable
RADIATOR HOSE
#
8
5CU-12484-11-00
Unavailable
Edit ride
