- Partiron
- OEM Parts
- Yamaha
- motorcycle
- 1999
- YZ250L1 (COMPETITION) 5CU1 1999
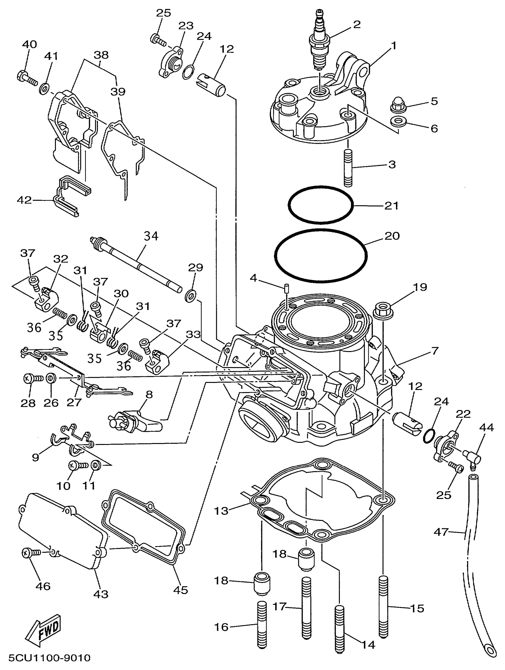
CYLINDER HEAD
Yamaha YZ250L1 (COMPETITION) 5CU1 1999 CYLINDER HEAD Diagram
#
1
HEAD, CYLINDER 1
5CU-11111-00-00
Unavailable
2
PLUG, SPARK (NGK BR8EG)
BR8-EG000-00-00
Unavailable
2
PLUG, SPARK (NGK BR8EG)
BR8-EG000-00-00
Unavailable
7
CYLINDER 1
5CU-11311-02-00
Unavailable
14
BOLT,STUD
95617-10640-00
Unavailable
15
BOLT, STUD 3
95617-10660-00
Unavailable
16
BOLT,STUD
95617-10640-00
Unavailable
17
BOLT, STUD 3
95617-10660-00
Unavailable
18
PIN, DOWEL
99530-14016-00
Unavailable
19
NUT, FLANGE(8AB)
95707-10500-00
Unavailable
20
O-RING(55X)
93211-02703-00
Unavailable
21
O-RING (1J7)
93210-74316-00
Unavailable
22
HOLDER 1
5CU-1131E-01-00
Unavailable
23
HOLDER 4
5CU-1131P-00-00
Unavailable
24
O-RING (32N)
93210-15639-00
Unavailable
25
SCREW, PAN
98517-05012-00
Unavailable
27
LINK ASSY
5CU-11830-00-00
Unavailable
29
OIL SEAL (8X12X3-371)
93104-08040-00
Unavailable
30
LEVER, LINK
4SS-11832-00-00
Unavailable
31
SPRING, TORSION
90508-155B8-00
Unavailable
32
PULLEY 1
5MW-1132E-00-00
Unavailable
33
PULLEY 2
5MW-1132F-00-00
Unavailable
34
SHAFT 1
5CU-1131V-00-00
Unavailable
35
WASHER, PLATE (24X)
90201-081G0-00
Unavailable
36
SPRING, COMPRESSION
90501-046L6-00
Unavailable
37
BOLT,SOCKET
91317-04008-00
Unavailable
38
HOUSING 1
5CU-11991-01-00
Unavailable
39
GASKET
5CU-11993-00-00
Unavailable
40
BOLT(3JK)
97027-05020-00
Unavailable
41
WASHER(1RW)
92907-05600-00
Unavailable
42
SEAL, HOUSING
5CU-11995-00-00
Unavailable
43
COVER
5CU-1131M-11-00
Unavailable
44
CONNECTOR, SUCTION PIPE
353-13115-01-00
Unavailable
45
GASKET
5CU-11354-00-00
Unavailable
46
SCREW, BINDING
98907-05016-00
Unavailable
47
HOSE (L420)
90445-092K1-00
Unavailable
