- Partiron
- OEM Parts
- Yamaha
- motorcycle
- 1998
- YZ250K1 (YZ250) 1998
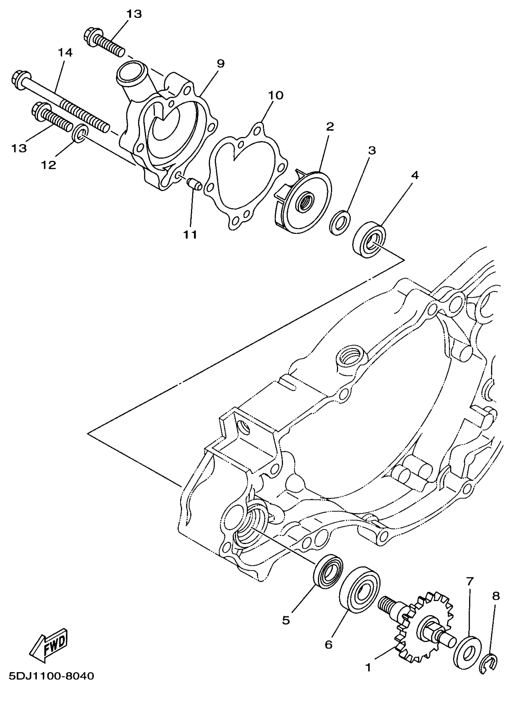
WATER PUMP
Yamaha YZ250K1 (YZ250) 1998 WATER PUMP Diagram
#
Description
Price
1
GEAR, IMPELLER SHAFT
5DJ-12459-00-00
Unavailable
9
COVER, HOUSING
4SR-12422-00-00
Unavailable
