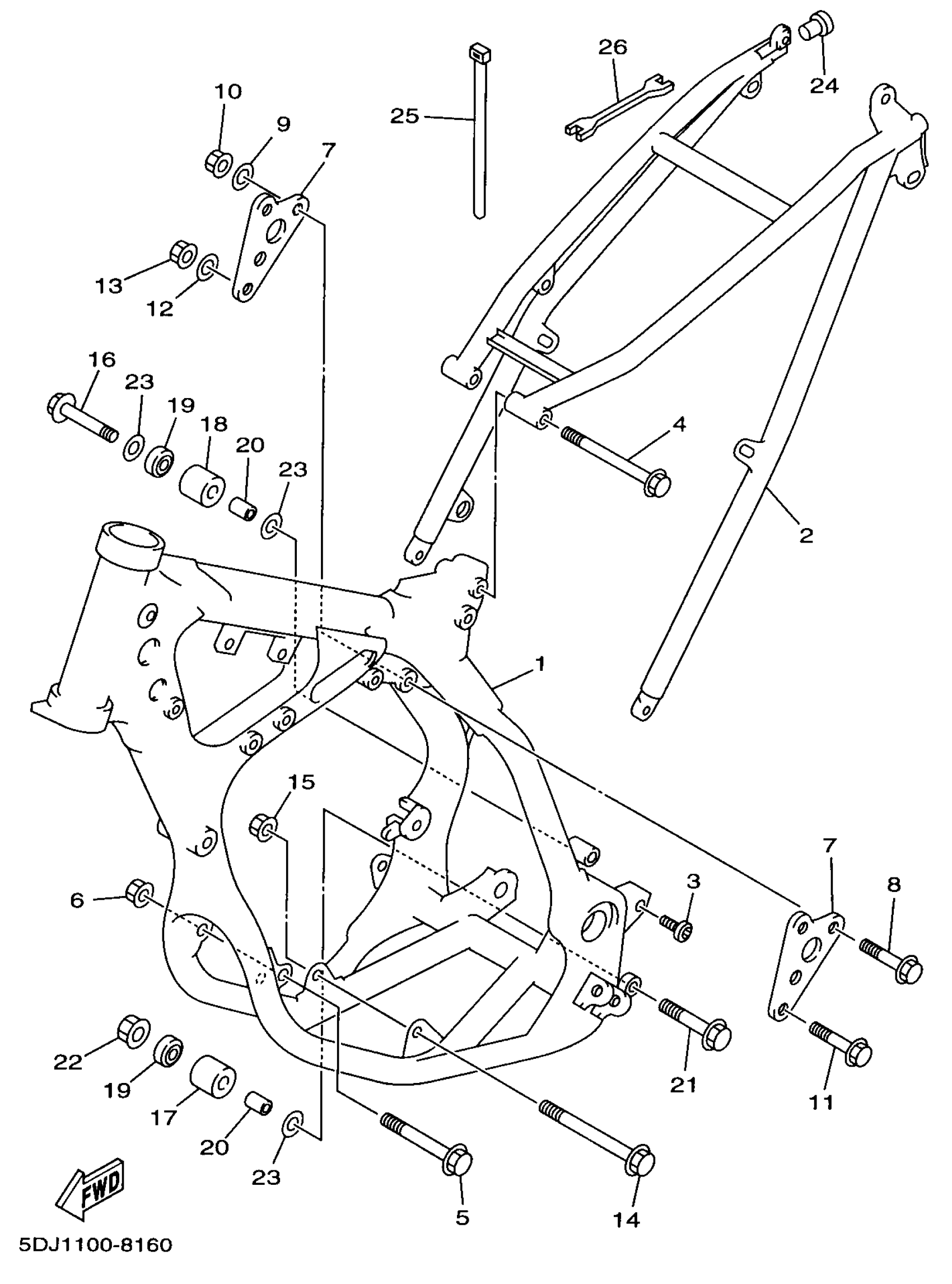
Yamaha YZ250K1 (YZ250) 1998 FRAME Diagram
#
Description
Price
1
FRONT FRAME COMP.
5DJ-21101-00-P0
Unavailable
2
REAR FRAME COMP.
5DH-21190-00-P0
Unavailable
7
BRACKET, REAR UPPER 1
5DJ-21425-00-00
Unavailable
16
BOLT, FLANGE(4MY)
95027-08040-00
Unavailable
17
TENSIONER
3JD-22178-20-00
Unavailable
18
TENSIONER
4EW-22178-01-00
Unavailable
19
BEARING (3X3)
93300-60804-00
Unavailable
20
COLLAR(1NL)
90387-086N4-00
Unavailable
21
BOLT, FLANGE
95027-08065-00
Unavailable
22
NUT, FLANGE(JN5)
95707-08500-00
Unavailable
23
WASHER, PLATE(3XP)
90201-086P8-00
Unavailable
24
PLUG(55K)
90338-16148-00
Unavailable
25
CLAMP, HOSE(3KJ)
90460-15126-00
Unavailable
26
WRENCH, HEXAGON
56A-28166-00-00
Unavailable
