- Partiron
- OEM Parts
- Yamaha
- motorcycle
- 1983
- YZ250K (YZ250K_L) 1983
RADIATOR HOSE YZ250L
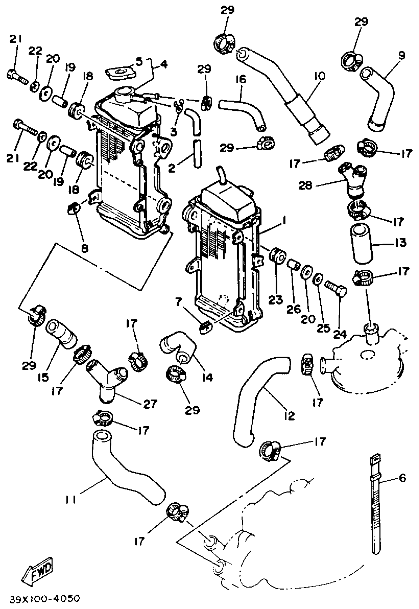
Yamaha YZ250K (YZ250K_L) 1983 RADIATOR HOSE YZ250L Diagram
#
Description
Price
1
RADIATOR ASSEMBLY
39X-12460-01-00
Unavailable
4
RADIATOR ASSEMBLY 2
39X-1240A-01-00
Unavailable
9
PIPE 1
39X-12481-00-00
Unavailable
10
PIPE 2
39X-12482-00-00
Unavailable
11
PIPE 3
39X-12483-00-00
Unavailable
12
PIPE 4
39X-12484-00-00
Unavailable
13
PIPE 3
3AK-12483-00-00
Unavailable
14
PIPE 6
39X-12476-00-00
Unavailable
15
PIPE 7
39X-12477-00-00
Unavailable
16
PIPE 8
1LX-1248A-00-00
Unavailable
17
HOSE CLAMP ASSY(3GM)
90450-38040-00
Unavailable
18
GROMMET(663)
90480-15064-00
Unavailable
19
COLLAR(2UJ)
90387-061V1-00
Unavailable
20
WASHER, PLATE (583 FUEL TANK)
90201-06570-00
Unavailable
21
BOLT, HEXAGON
97017-06030-00
Unavailable
22
WASHER, PLAIN (646)
92990-06600-00
Unavailable
23
GROMMET (4L0)
90480-18276-00
Unavailable
24
BOLT, HEXAGON
97017-06020-00
Unavailable
25
WASHER, PLAIN (646)
92990-06600-00
Unavailable
26
COLLAR
90387-06113-00
Unavailable
27
JOINT 1
24X-12469-00-00
Unavailable
28
JOINT 1
24Y-12469-00-00
Unavailable
29
CLAMP, HOSE
90460-22252-00
Unavailable
30
BAND (MADE IN CANADA)
90460-15227-00
Unavailable
