- Partiron
- OEM Parts
- Yamaha
- motorcycle
- 1982
- YZ250J (YZ250J) 1982
SHIFT CAM - FORK
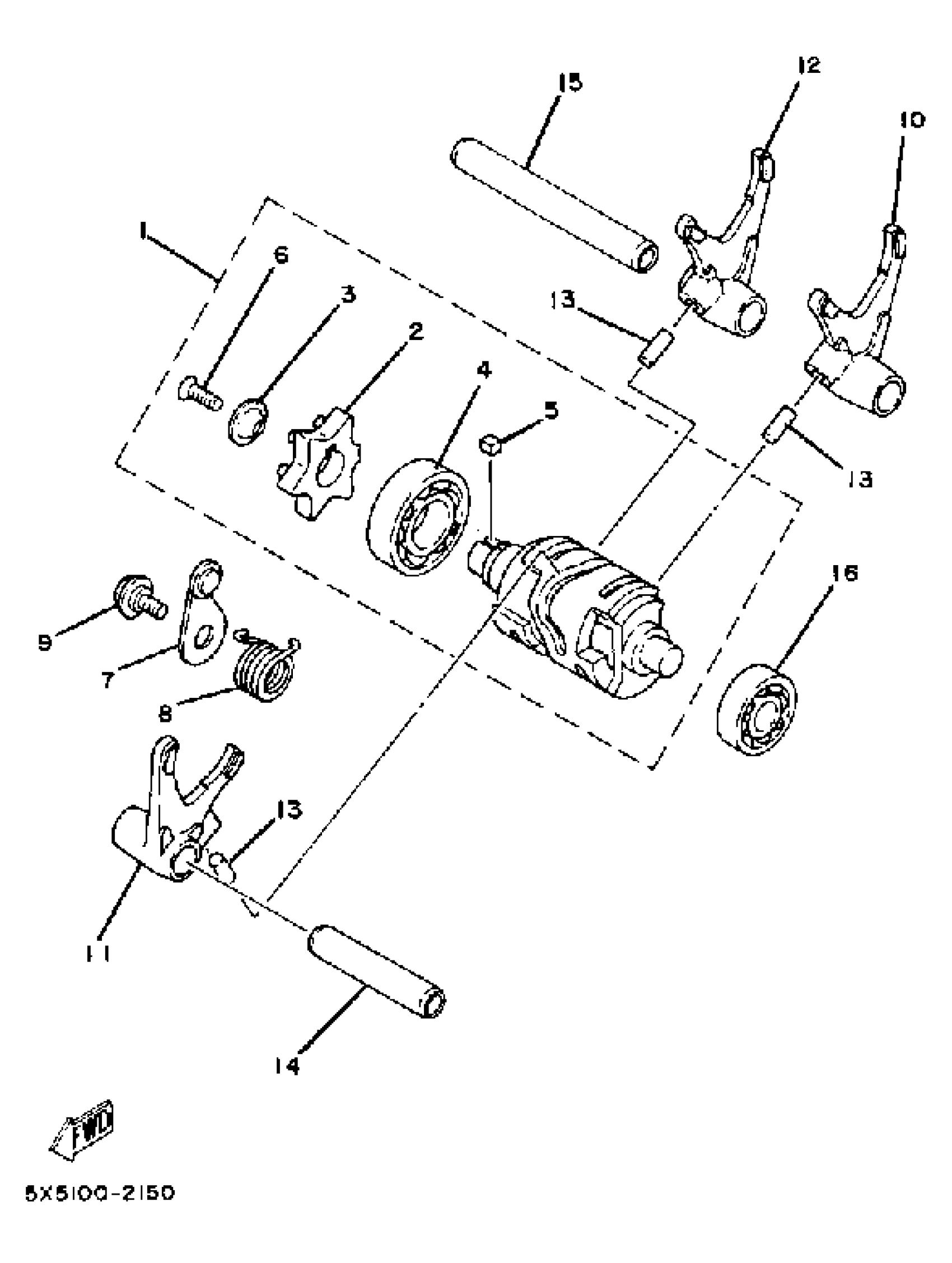
Yamaha YZ250J (YZ250J) 1982 SHIFT CAM - FORK Diagram
#
Description
Price
1
SHIFT CAM ASSEMBLY
24Y-18540-00-00
Unavailable
7
STOPPER LEVER ASSEMBLY
3R4-18140-00-00
Unavailable
8
SPRING, TORSION
90508-26421-00
Unavailable
10
FORK, SHIFT 1
5X5-18511-00-00
Unavailable
11
FORK, SHIFT 2
4V3-18512-00-00
Unavailable
12
FORK, SHIFT 3
5X5-18513-00-00
Unavailable
13
PIN, DOWEL (3R4)
93606-14154-00
Unavailable
14
BAR, SHIFT FORK GUIDE 1
4BA-18531-00-00
Unavailable
15
BAR, SHIFT FORK GUIDE 2
5X5-18535-01-00
Unavailable
16
BRG,R-B 6001 28MM 28G KY
93306-00105-00
Unavailable
