- Partiron
- OEM Parts
- Yamaha
- motorcycle
- 1996
- YZ250H1 (YZ250H1) 1996
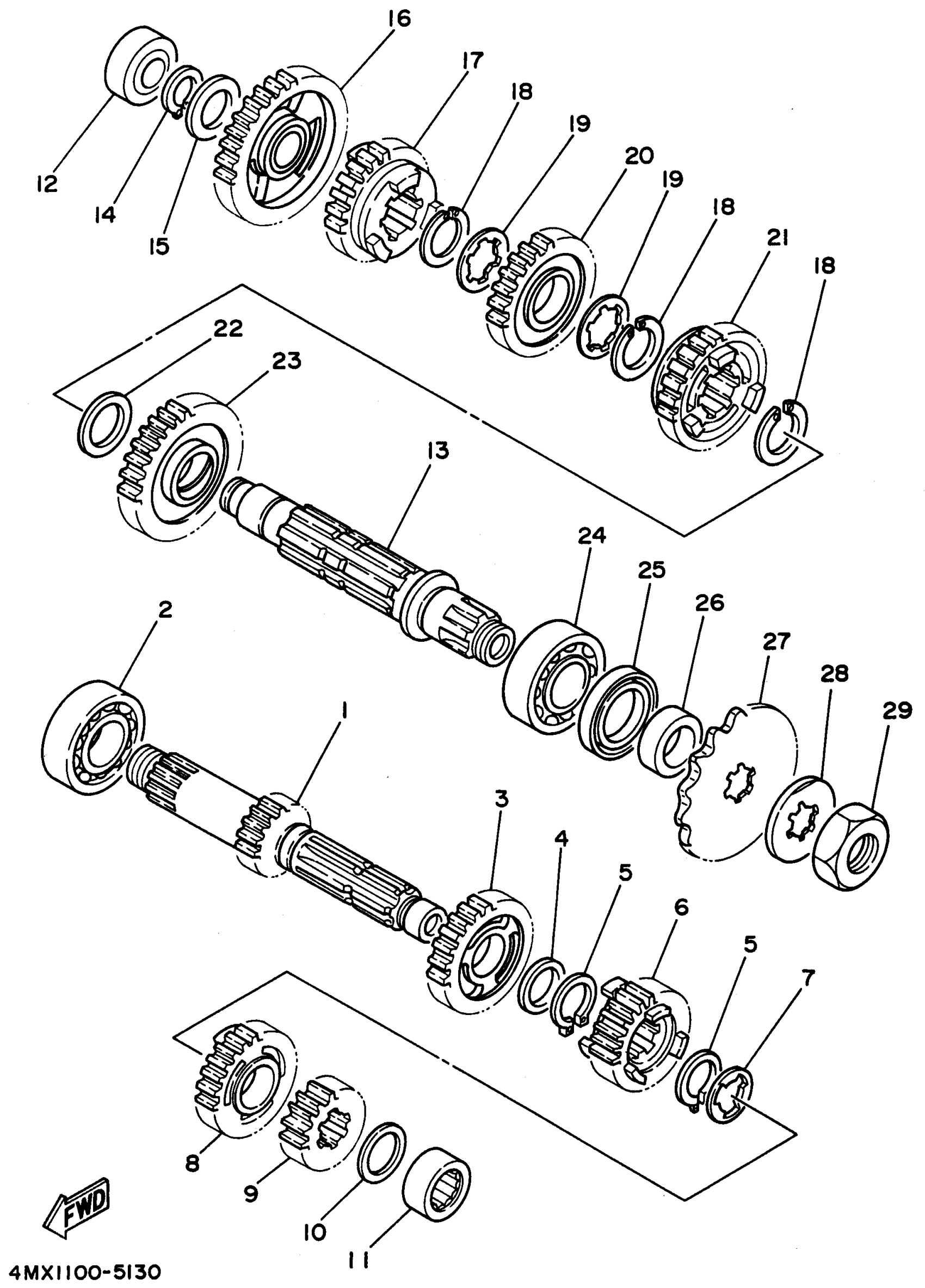
TRANSMISSION
Yamaha YZ250H1 (YZ250H1) 1996 TRANSMISSION Diagram
#
Description
Price
1
AXLE, MAIN
4JX-17411-00-00
Unavailable
3
GEAR, 5TH PINION
4MX-17151-00-00
Unavailable
6
GEAR, 3RD PINION
4MX-17131-00-00
Unavailable
8
GEAR, 4TH PINION (22T)
3RB-17141-00-00
Unavailable
9
GEAR, 2ND PINION
4JX-17121-00-00
Unavailable
13
AXLE, DRIVE
2VM-17421-01-00
Unavailable
16
GEAR,1ST WHEEL
4MX-17211-00-00
Unavailable
17
GEAR, 5TH WHEEL
4MX-17251-00-00
Unavailable
18
CIRCLIP (4L0)
93440-25084-00
Unavailable
19
WASHER 434172160000
90209-22082-00
Unavailable
20
GEAR, 3RD WHEEL
4MX-17231-00-00
Unavailable
21
GEAR, 4TH WHEEL
4MX-17241-00-00
Unavailable
22
WASHER, PLATE(59W)
90201-253K0-00
Unavailable
23
GEAR, 2ND WHEEL
4MX-17221-00-00
Unavailable
24
BEARING(1KT)
93306-20577-00
Unavailable
25
OIL SEAL (697)
93102-32M07-00
Unavailable
26
COLLAR (2K7)
90387-25663-00
Unavailable
27
SPROCKET, DRIVE (13T)(4RF)
93834-13206-00
Unavailable
27
SPROCKET, DRIVE
93834-14050-00
Unavailable
27
SPROCKET,DRIVE 15T(3Y11746150)
93834-15078-00
Unavailable
28
WASHER, LOCK (23X)
90215-21239-00
Unavailable
29
NUT (2K7)
90179-20255-00
Unavailable
