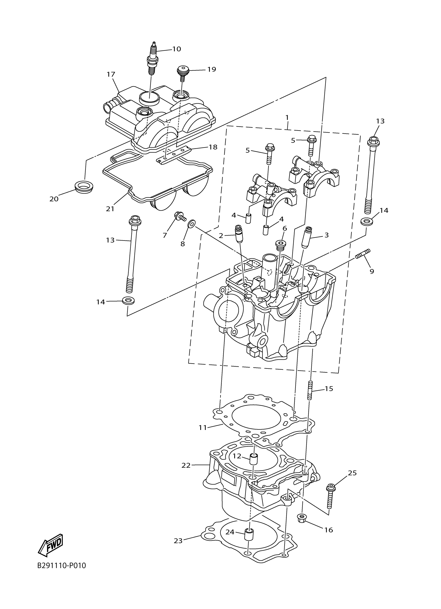
Yamaha YZ250FXK (YZ250FX) B29M 2019 CYLINDER Diagram
#
Description
Price
8
GASKET 256113960000
90430-06014-00
Unavailable
10
PLUG, SPARK (NGK LMAR8G)
LMA-R8G00-00-00
Unavailable
16
NUT, FLANGE
95702-06500-00
Unavailable
17
COVER, CYLINDER HEAD 1
1SM-11190-39-00
Unavailable
18
GUIDE, STOPPER 2
5BE-12241-01-00
Unavailable
19
BOLT, COVER HEAD
5UM-1119E-00-00
Unavailable
20
GASKET, HEAD COVER 2
1SM-11194-00-00
Unavailable
21
GASKET, HEAD COVER 1
1SM-11193-00-00
Unavailable
22
CYLINDER 1
1SM-11311-00-00
Unavailable
23
GASKET, CYLINDER
1SM-11351-00-00
Unavailable
25
BOLT, HEXAGON SOCKET HEAD
90110-06380-00
Unavailable
