- Partiron
- OEM Parts
- Yamaha
- motorcycle
- 2017
- YZ250FXH (YZ250FX) B29B 2017
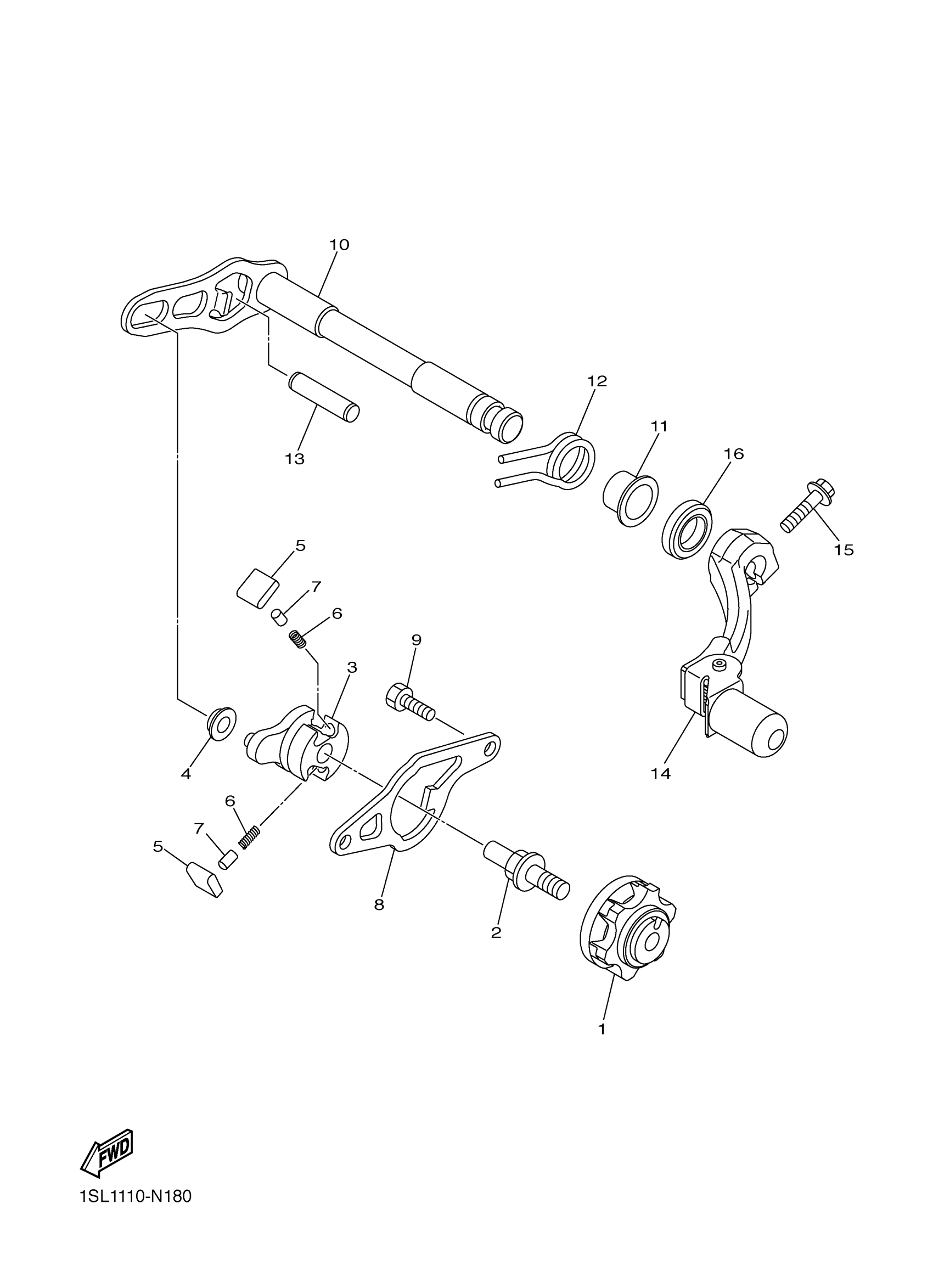
SHIFT SHAFT
Yamaha YZ250FXH (YZ250FX) B29B 2017 SHIFT SHAFT Diagram
#
Description
Price
10
SHIFT SHAFT ASSY
2GB-18101-00-00
Unavailable
16
OIL SEAL (14X24X6-256)
93109-14010-00
Unavailable
