Yamaha YZ250FXF (YZ250FX) B291 2015 FRAME Diagram
#
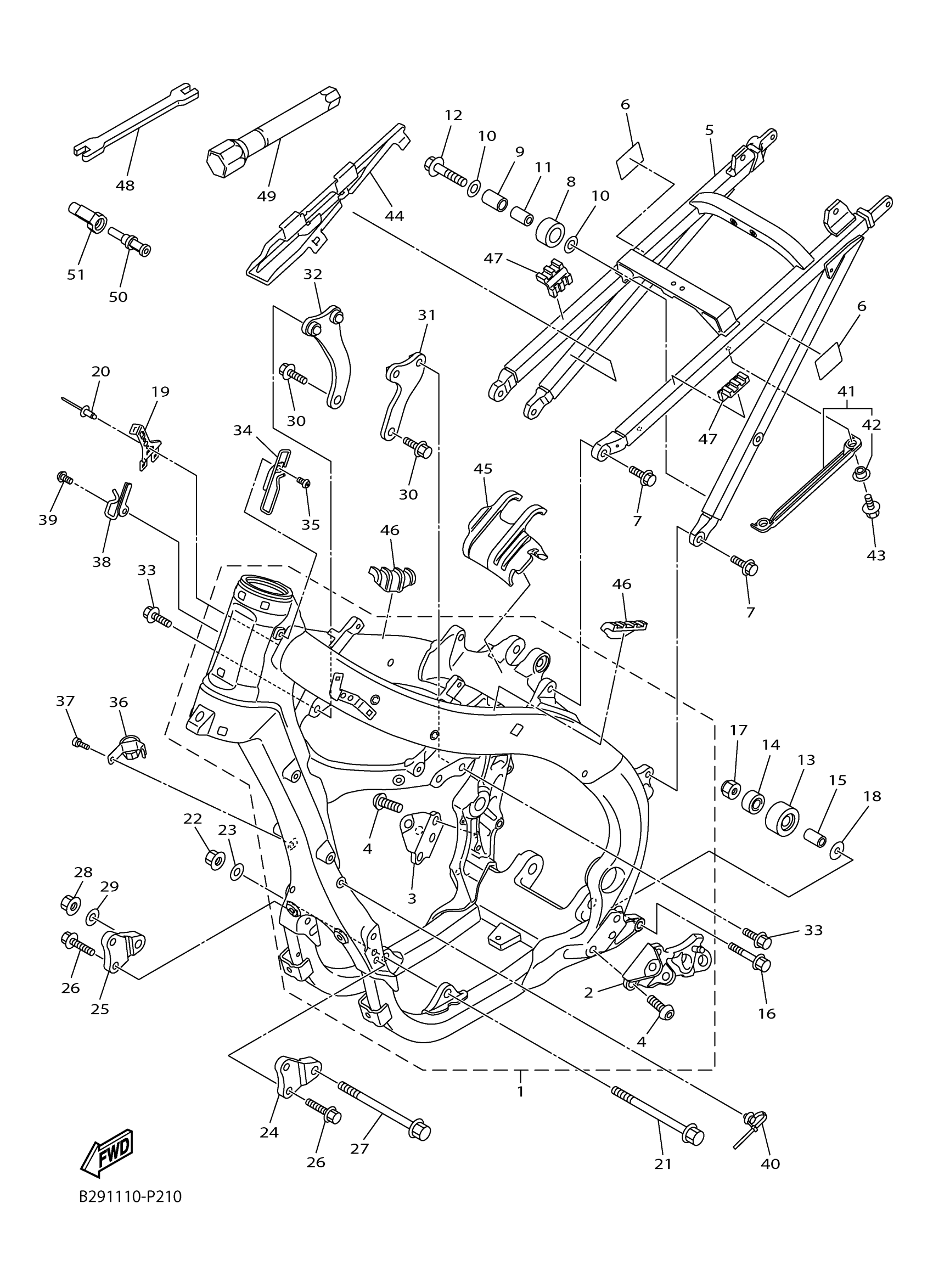
1
FRONT FRAME COMP.
2GB-21101-00-00
Unavailable
16
BOLT, FLANGE
90105-08133-00
Unavailable
17
NUT, U
95617-08100-00
Unavailable
18
WASHER, PLATE
90201-08043-00
Unavailable
19
BRACKET, BATTERY B
2GB-21149-00-00
Unavailable
20
RIVET, BLIND (2YK)
90267-32146-00
Unavailable
21
BOLT, FLANGE
90105-10176-00
Unavailable
22
NUT(4KG)
90179-10658-00
Unavailable
23
WASHER, PLATE
90201-10045-00
Unavailable
24
BRACKET, FRONT LOW
2GB-21417-00-00
Unavailable
25
BRACKET, FRONT LOW
2GB-21418-00-00
Unavailable
26
BOLT, FLANGE
90105-08143-00
Unavailable
27
BOLT, FLANGE
90105-10448-00
Unavailable
28
NUT(4KG)
90179-10658-00
Unavailable
29
WASHER, PLATE
90201-10025-00
Unavailable
30
BOLT, FLANGE
90105-10189-00
Unavailable
31
BRACKET, REAR UPPE
2GB-21425-00-00
Unavailable
32
BRACKET, REAR UPPE
2GB-21426-00-00
Unavailable
33
BOLT, FLANGE
90105-08143-00
Unavailable
34
HOLDER, CLUTCH CAB
1SL-21163-01-00
Unavailable
35
BOLT, BUTTON HEAD
92012-06010-00
Unavailable
36
CLAMP, WIRE HARNES
1SM-21335-01-00
Unavailable
37
BOLT
91312-05008-00
Unavailable
38
HOLDER, CLUTCH CAB
B29-21163-00-00
Unavailable
39
BOLT, BUTTON HEAD
92012-06010-00
Unavailable
40
CLAMP
90464-31002-00
Unavailable
41
COVER, SIDE 5
1SL-2171E-00-00
Unavailable
42
COLLAR
90387-065T2-00
Unavailable
43
BOLT, FLANGE
95022-06016-00
Unavailable
44
COVER, SIDE 6
2GB-2171X-00-00
Unavailable
45
DAMPER, LOCATING 1
2GB-24181-00-00
Unavailable
46
DAMPER, LOCATING 2
33D-24182-00-00
Unavailable
47
DAMPER, LOCATING 3
33D-24183-00-00
Unavailable
48
WRENCH, HEXAGON
5ET-28166-10-00
Unavailable
49
BOX, SPARK PLUG
17D-2814F-00-00
Unavailable
50
CAP
18P-2467E-00-00
Unavailable
51
CASE, CAP
18P-2464V-01-00
Unavailable
