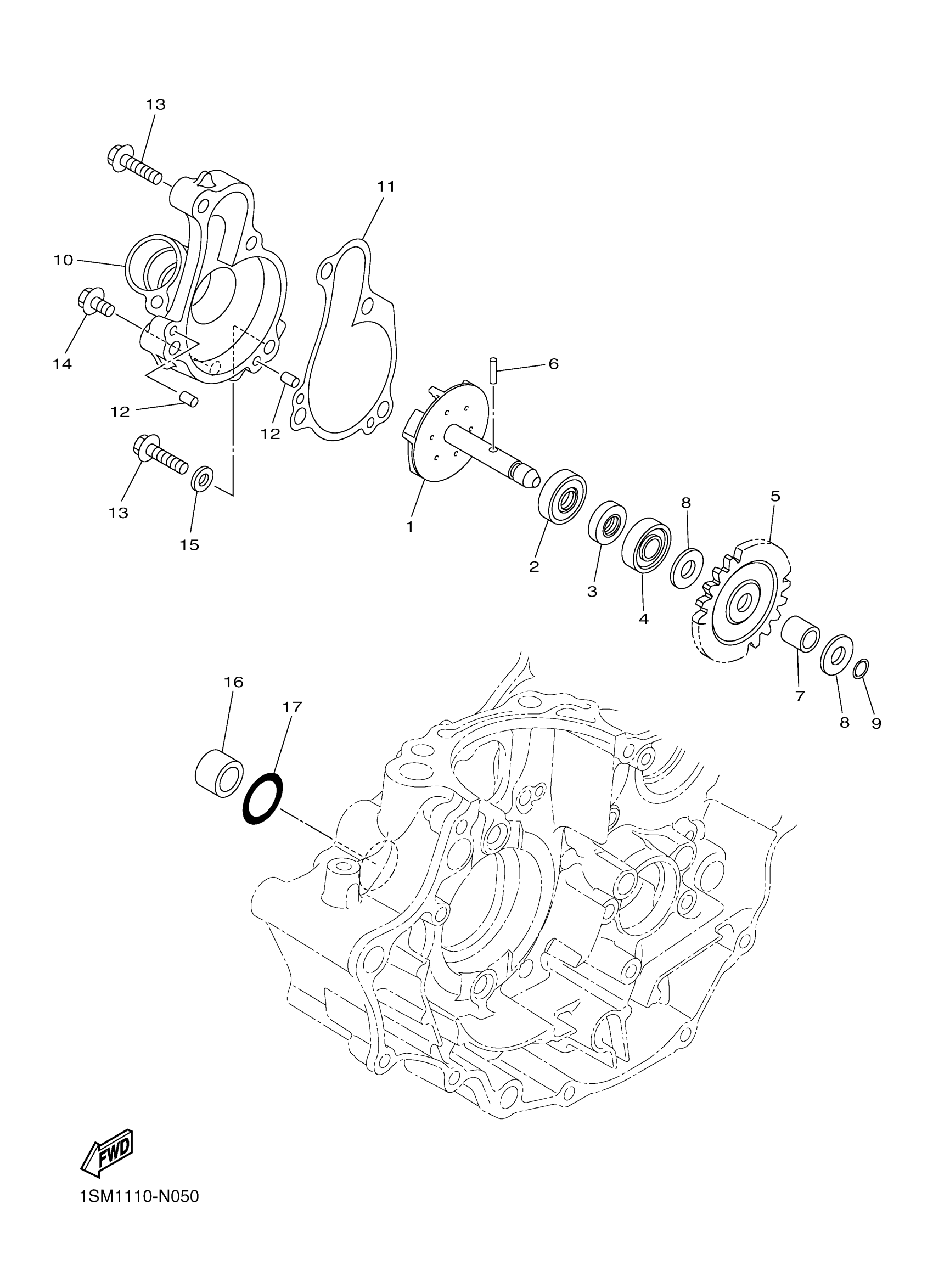
Yamaha YZ250FHW (YZ250F) 1SME0 2017 WATER PUMP Diagram
#
Description
Price
1
IMPELLER SHAFT ASSY
1SM-12450-01-00
Unavailable
15
GASKET 256113960000
90430-06014-00
Unavailable
16
PIPE, WATER
5NL-12564-00-00
Unavailable
17
O-RING (M124)
93210-16772-00
Unavailable
