- Partiron
- OEM Parts
- Yamaha
- motorcycle
- 2016
- YZ250FGY (YZ250F 60TH ANNIVERSARY) 1SMD 2016
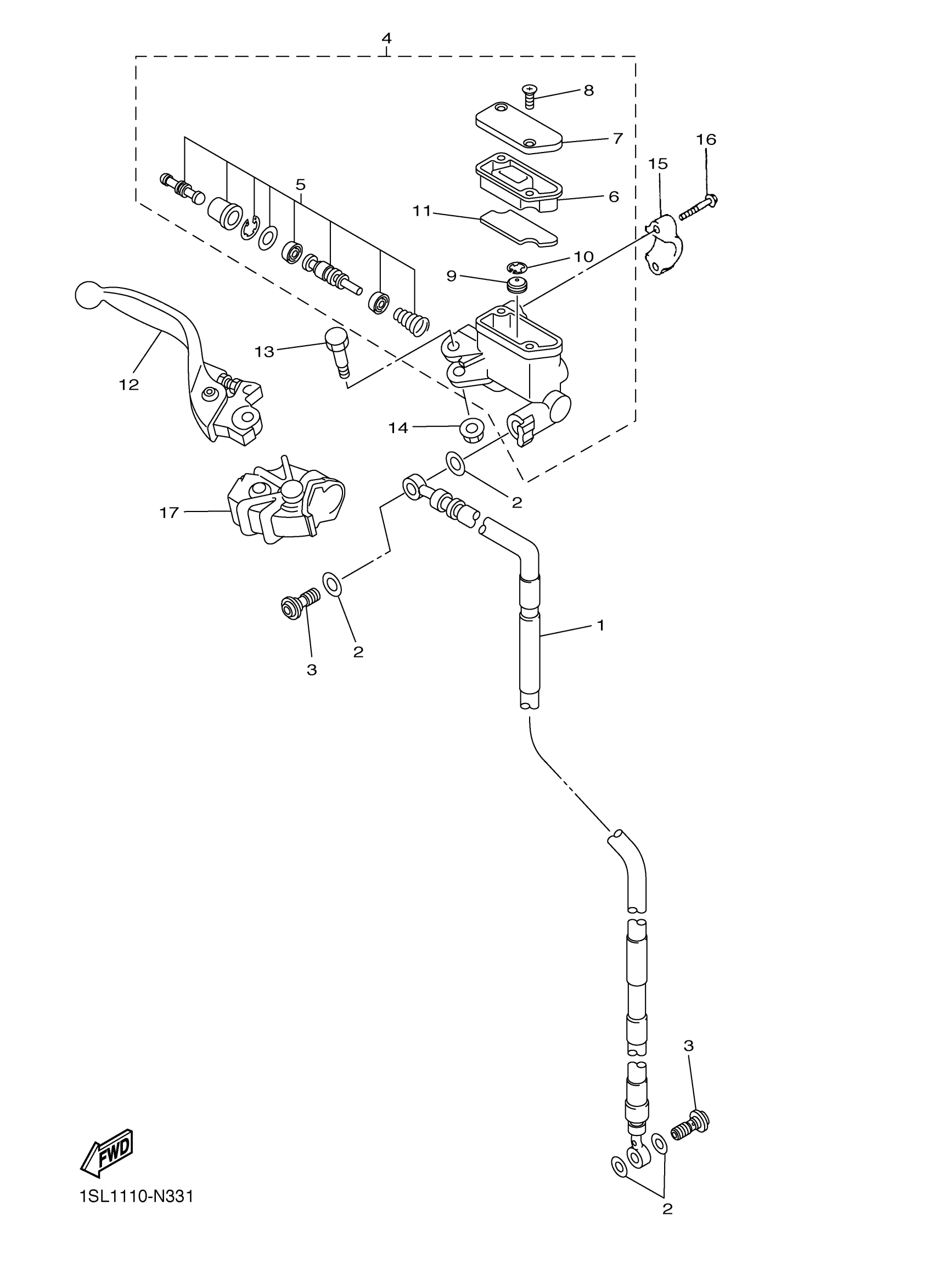
FRONT MASTER CYLINDER
Yamaha YZ250FGY (YZ250F 60TH ANNIVERSARY) 1SMD 2016 FRONT MASTER CYLINDER Diagram
#
Description
Price
16
BOLT, FITTING
5MV-25833-00-00
Unavailable
17
COVER, HANDLE LEVER 1
5XC-26372-G0-00
Unavailable
