Yamaha YZ250FDW (YZ250F) 17DH0 2013 FRAME Diagram
#
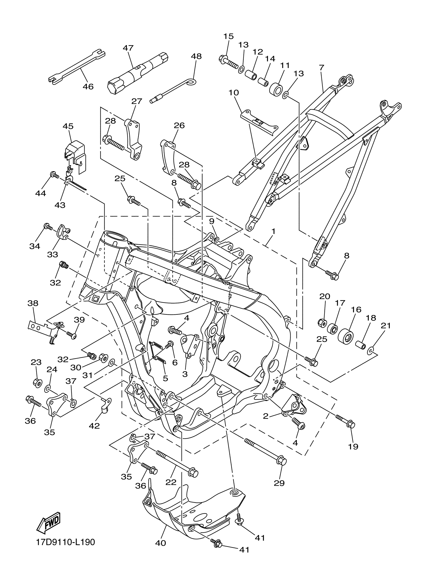
1
FRONT FRAME COMP.
17D-21101-90-00
Unavailable
5
.. CLAMP, WIRE HARNESS 1
17D-21335-50-00
Unavailable
9
COLLAR
90387-08096-00
Unavailable
10
BRACKET
17D-21131-00-00
Unavailable
16
TENSIONER
3JD-22178-20-00
Unavailable
17
BEARING (3X3)
93300-60804-00
Unavailable
18
COLLAR(1NL)
90387-086N4-00
Unavailable
19
BOLT, FLANGE
90105-08232-00
Unavailable
20
NUT, U
95617-08100-00
Unavailable
21
WASHER, PLATE
90201-08043-00
Unavailable
22
BOLT, FLANGE
90105-10361-00
Unavailable
23
NUT(4KG)
90179-10658-00
Unavailable
24
WASHER, PLATE
90201-10045-00
Unavailable
25
BOLT, FLANGE
90105-08226-00
Unavailable
26
BRACKET, REAR UPPER 1
17D-21425-90-00
Unavailable
27
BRACKET, REAR UPPER 2
17D-21426-90-00
Unavailable
28
BOLT, FLANGE
90105-10373-00
Unavailable
29
BOLT, FLANGE
90105-10176-00
Unavailable
30
NUT(4KG)
90179-10658-00
Unavailable
31
WASHER, PLATE
90201-10045-00
Unavailable
32
NUT
17D-21244-20-00
Unavailable
33
HOLDER, CLUTCH CABLE
17D-21163-50-00
Unavailable
34
BOLT, BUTTON HEAD
92012-06010-00
Unavailable
35
BRACKET, FRONT LOWER 1
17D-21417-51-00
Unavailable
36
BOLT, FLANGE
90105-08143-00
Unavailable
37
PLATE, PATCH
5XC-21456-90-00
Unavailable
38
BRACKET, C.D.I. UNIT
17D-21274-50-00
Unavailable
39
BOLT, BUTTON HEAD
92012-06010-00
Unavailable
40
GUARD, ENGINE 2
17D-2147E-51-00
Unavailable
41
BOLT, WITH WASHER
90119-06149-00
Unavailable
42
HOLDER, CABLE
17D-21164-50-00
Unavailable
43
BRACKET 1
17D-23591-50-00
Unavailable
45
COVER
17D-2117F-50-00
Unavailable
46
WRENCH, HEXAGON
5ET-28166-10-00
Unavailable
47
BOX, SPARK PLUG
5TA-2814F-00-00
Unavailable
48
TOOL, SPECIAL
5XC-28116-00-00
Unavailable
