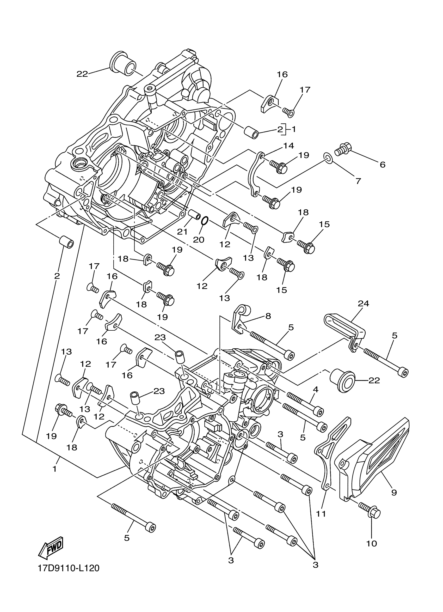
Yamaha YZ250FDW (YZ250F) 17DH0 2013 CRANKCASE Diagram
#
Description
Price
9
COVER, CRANKCASE 2
17D-15421-90-00
Unavailable
16
PLATE, BEARING COVER
4JT-15381-01-00
Unavailable
17
SCREW, COUNTERSUNK
90151-06052-00
Unavailable
18
PLATE, STOPPER 2
5DH-18562-00-00
Unavailable
20
O-RING (371)
93210-10197-00
Unavailable
21
PIN, DOWEL(3VD)
99530-10114-00
Unavailable
22
COLLAR
90387-18007-00
Unavailable
23
PIN, DOWEL(2VG)
99530-10116-00
Unavailable
24
CLAMP
90465-10013-00
Unavailable
