Partiron

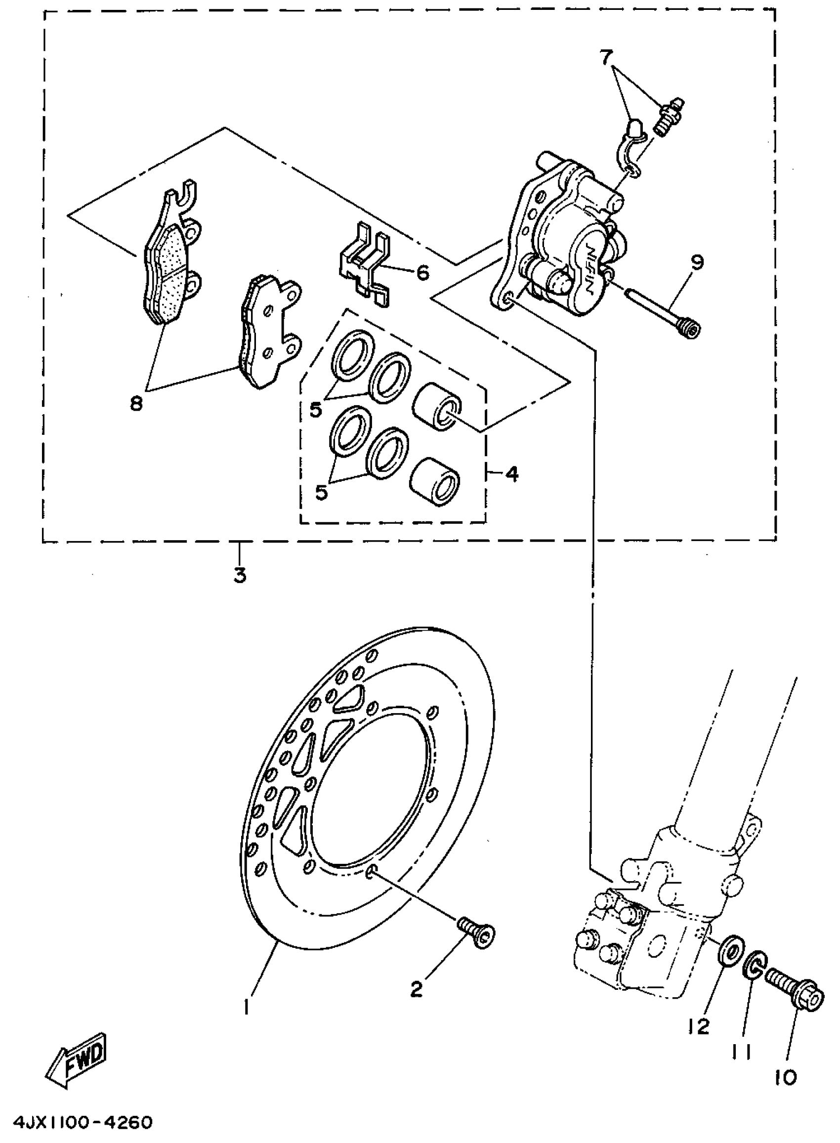
Yamaha YZ250F1 (YZ250F1) 1994 FRONT BRAKE CALIPER Diagram

#

Description
Price

1

DISC, BRAKE

4XM-2582T-00-00

Unavailable

2

SCREW, COUNTERSUNK

90151-06080-00

$2.18

3

CALIPER ASY (LEFT)

4SS-2580T-00-00

Unavailable

4

PISTON ASSY, CALIPER

4EW-W0057-00-00

Unavailable

5

CALIPER SEAL KIT

3JD-25803-00-00

$21.99

6

SUPPORT, PAD

3SP-25919-01-00

Unavailable

7

BLEED SCREW KIT

36Y-W0048-00-00

$9.99

8

BRAKE PAD KIT

4SS-W0045-00-00

Unavailable

9

PIN, PAD

3GD-25933-00-00

$28.99

10

BOLT, FLANGE

95817-08035-00

$9.49