- Partiron
- OEM Parts
- Yamaha
- motorcycle
- 1976
- YZ250C (YZ250C) 1976
GENERATOR YZ250C - D
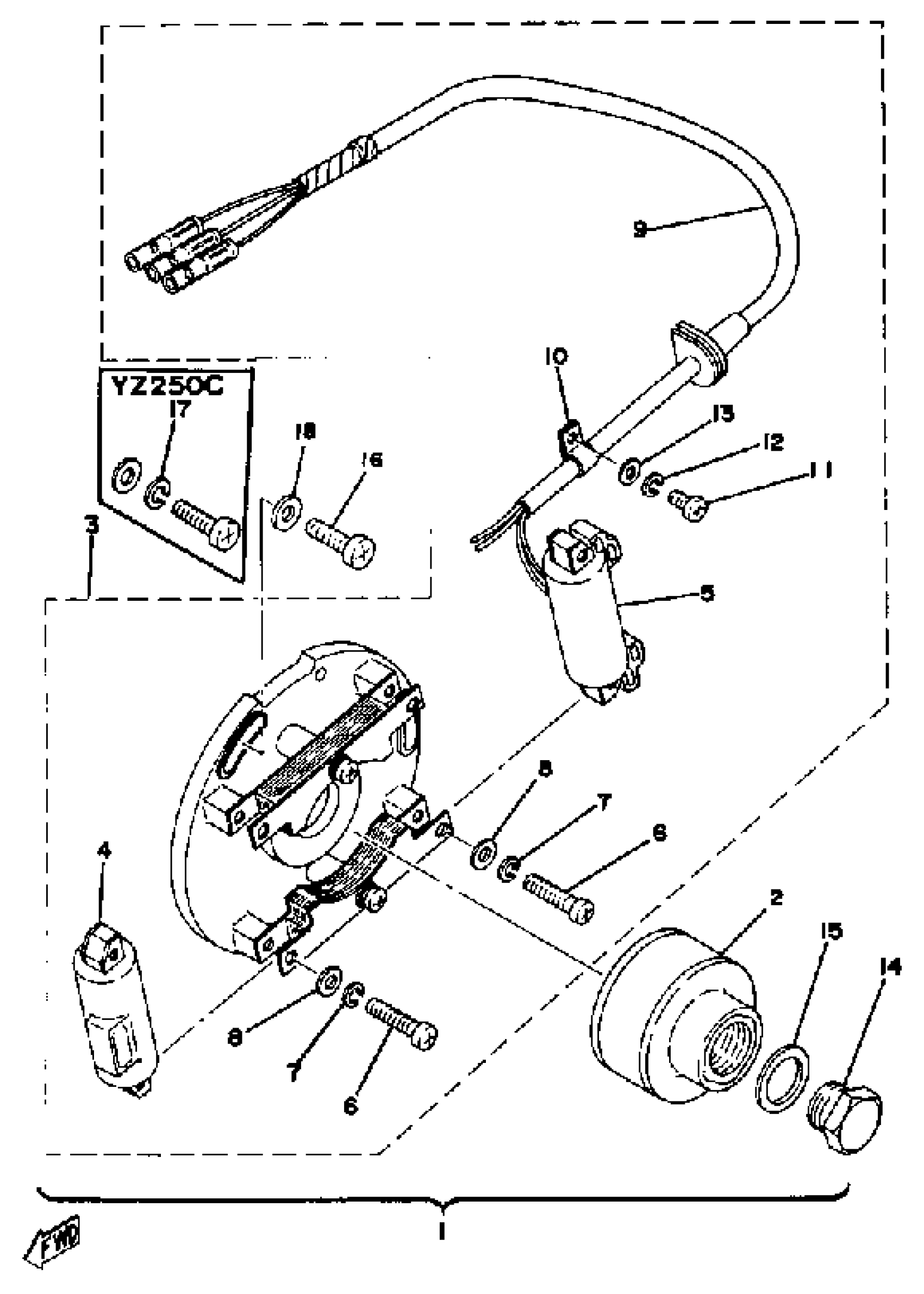
Yamaha YZ250C (YZ250C) 1976 GENERATOR YZ250C - D Diagram
#
Description
Price
1
CDI MAGNETO ASSEMBLY
(1W3-85500-10-00)
Unavailable
1
CDI MAGNETO ASSEMBLY
(509-85500-10-00)
Unavailable
2
ROTOR ASSEMBLY
(509-85550-10-00)
Unavailable
3
. STATOR ASSEMBLY
1W3-85510-10-00
Unavailable
3
STATOR ASSEMBLY
(509-85510-10-00)
Unavailable
4
.. COIL, CHARGE 1
565-85566-10-00
Unavailable
5
COIL, CHARGE 2
431-85567-10-00
Unavailable
8
. WASHER, PLAIN
92990-05200-00
Unavailable
9
LEAD WIRE ASSEMBLY
(1W3-85515-10-00)
Unavailable
9
LEAD WIRE ASSEMBLY
(509-85515-10-00)
Unavailable
10
. CLAMP
109-81328-11-00
Unavailable
11
SCREW, PAN HEAD (713)
98580-04008-00
Unavailable
12
YBS67-4 WASHER, SPRING
92990-04100-00
Unavailable
13
WASHER, PLAIN (646)
92990-04600-00
Unavailable
13
YBS66-4 WASHER, PLAIN
92990-04200-00
Unavailable
14
. NUT, ROTOR
322-85553-10-00
Unavailable
15
. WASHER, ROTOR
322-85554-10-00
Unavailable
16
SCREW PAN HEAD
98580-06020-00
Unavailable
17
WASHER, SPRING
92995-06100-00
Unavailable
18
WASHER, PLAIN (646)
92990-06600-00
Unavailable
18
YBS66-6 WASHER, PLAIN
92990-06200-00
Unavailable
