- Partiron
- OEM Parts
- Yamaha
- motorcycle
- 1976
- YZ250C (YZ250C) 1976
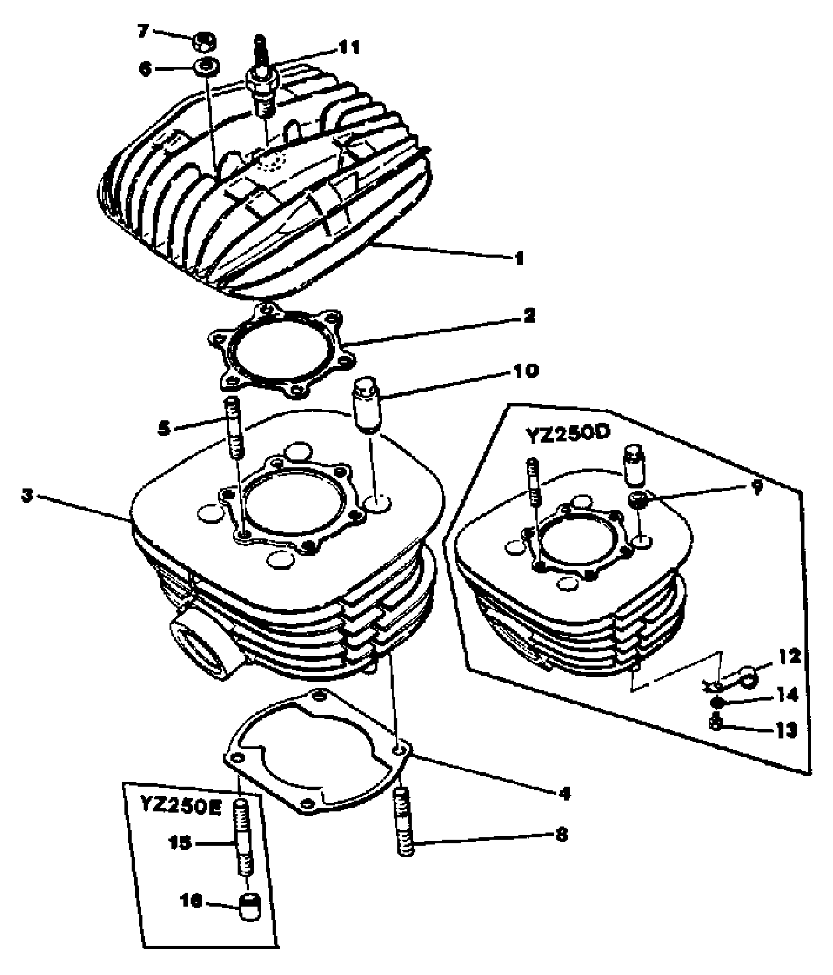
CYLINDER HEAD-CYLINDER YZ250D - E
Yamaha YZ250C (YZ250C) 1976 CYLINDER HEAD-CYLINDER YZ250D - E Diagram
#
Description
Price
1
HEAD, CYLINDER 1 (1W3-11111-01)
2K7-11111-00-00
Unavailable
2
GASKET, CYLINDER HEAD
1W3-11181-00-00
Unavailable
3
CYLINDER 1
(1W3-11311-02-00)
Unavailable
3
CYLINDER 1
2K7-11311-00-00
Unavailable
4
GASKET, CYLINDER
2K7-11351-01-00
Unavailable
9
WASHER, PLATE
(90201-11648-00)
Unavailable
11
CHAMPION N2G 10PK
(CMP-N2G00-00-00)
Unavailable
12
HOLDER, CLCH CABLE
1M1-15441-00-00
Unavailable
13
BOLT, HEXAGON DEEP RECESS
97D95-06016-00
Unavailable
14
WASHER, SPRING
92995-06100-00
Unavailable
15
BOLT, STUD
90116-10258-00
Unavailable
16
PIN, DOWEL
99530-14016-00
Unavailable
