- Partiron
- OEM Parts
- Yamaha
- motorcycle
- 1976
- YZ250C (YZ250C) 1976
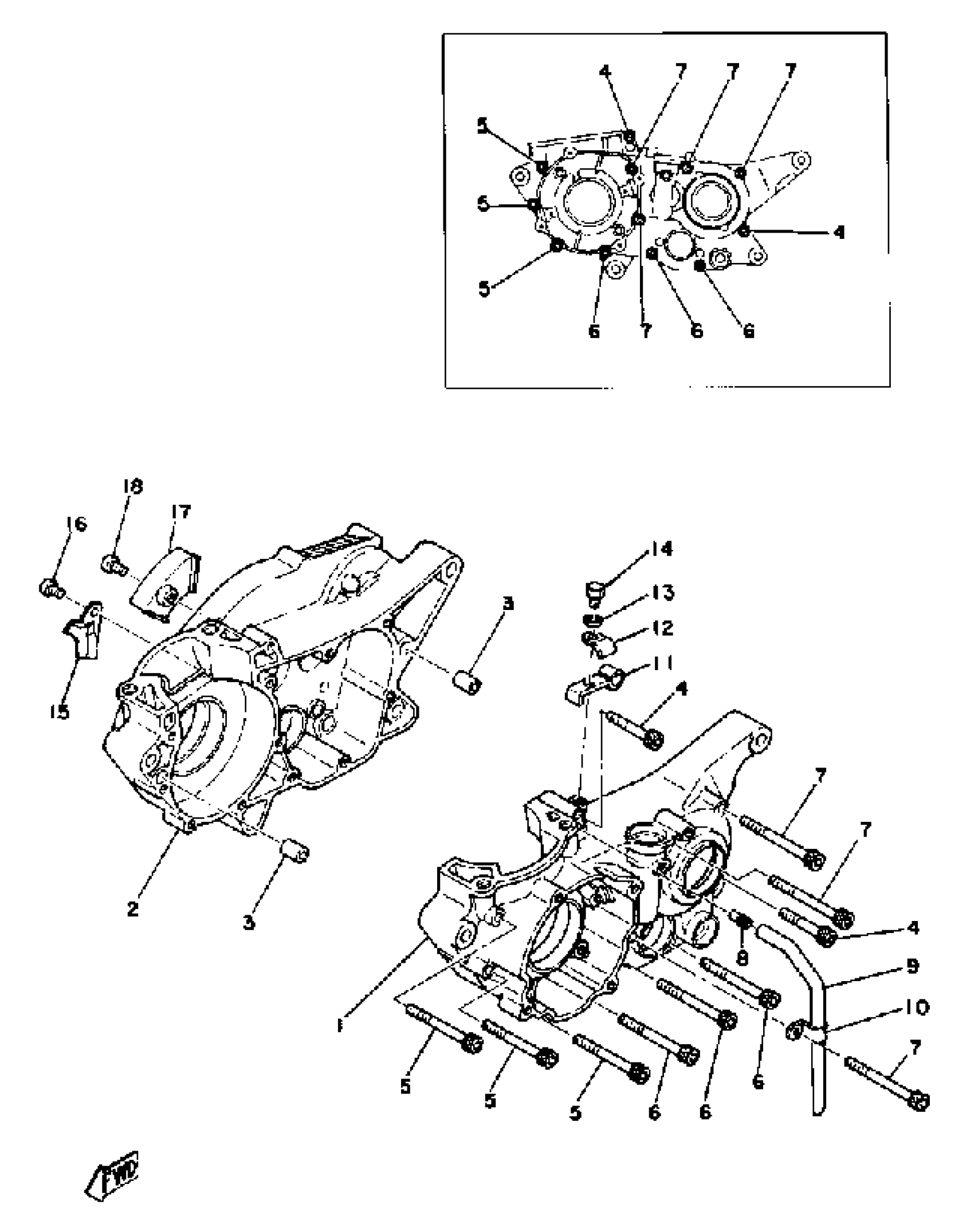
CRANKCASE YZ250E
Yamaha YZ250C (YZ250C) 1976 CRANKCASE YZ250E Diagram
#
Description
Price
1
CRANKCASE 1 (2K7-15111-00)
2K7-15111-01-00
Unavailable
2
CRANKCASE 2
(2K7-15121-01-00)
Unavailable
8
. CONNECTOR, SUCTION PIPE
137-13115-01-00
Unavailable
10
CLAMP
(90462-08043-00)
Unavailable
11
HOLDER, CLCH CABLE
(2K7-15441-02-00)
Unavailable
12
CLAMP
90462-08042-00
Unavailable
13
WASHER, SPRING
92995-06100-00
Unavailable
15
HOLDER
(2K7-15118-00-00)
Unavailable
16
SCREW, PAN
98507-08010-00
Unavailable
17
PLATE
(2K7-15113-00-00)
Unavailable
18
SCREW PAN HEAD
98580-06010-00
Unavailable
