- Partiron
- OEM Parts
- Yamaha
- motorcycle
- 1991
- YZ250B1 (YZ250) 1991
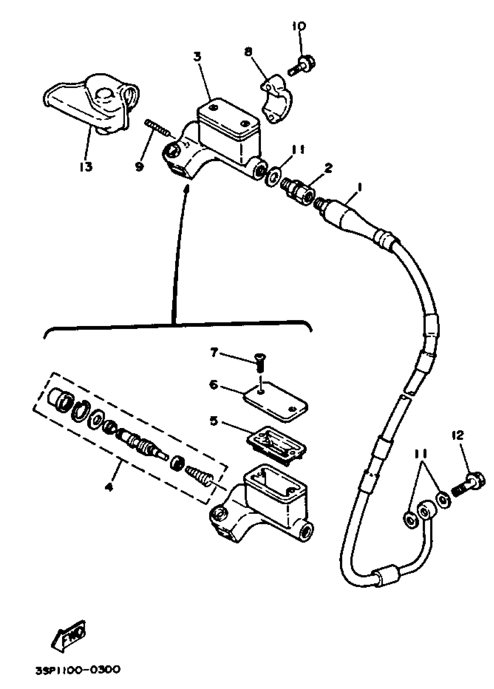
FRONT MASTER CYLINDER
Yamaha YZ250B1 (YZ250) 1991 FRONT MASTER CYLINDER Diagram
#
Description
Price
1
HOSE, BRAKE 1
3SP-25872-00-00
Unavailable
11
WASHER, PLATE(481)
90201-10118-00
Unavailable
