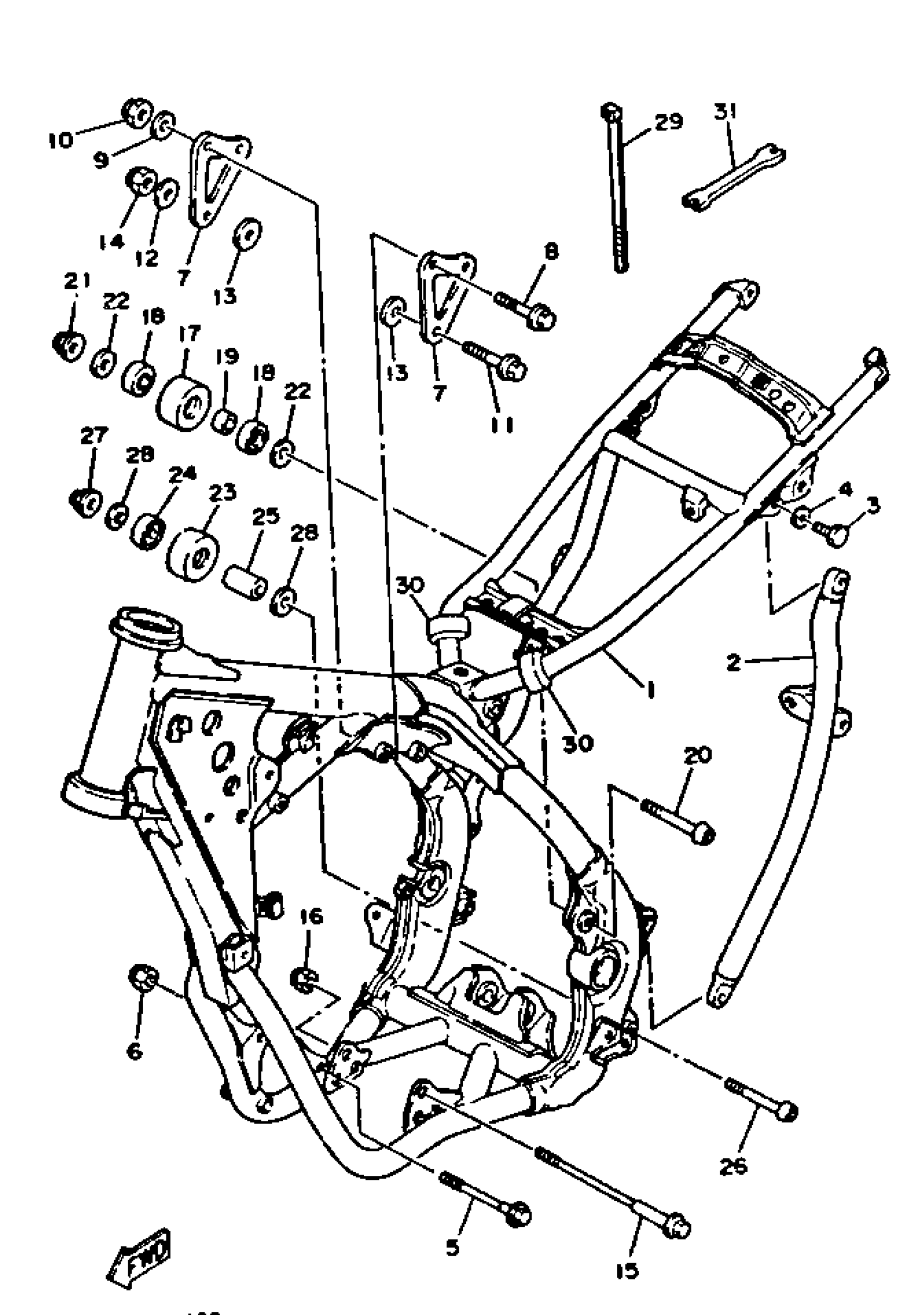
Yamaha YZ250B1 (YZ250) 1991 FRAME Diagram
#
Description
Price
1
FRAME COMP.
3XK-21110-00-UJ
Unavailable
2
BACK, STAY LH.
3XK-21123-00-UJ
Unavailable
5
BOLT, WASHER BASED
90105-08592-00
Unavailable
7
BRACKET, REAR UPPER 1
3SP-21425-00-00
Unavailable
16
NUT, SELF-LOCKING(JN5)
95607-10200-00
Unavailable
17
TENSIONER
3JD-22178-00-00
Unavailable
18
BEARING (3X3)
93300-60804-00
Unavailable
19
COLLAR(1HX)
90387-087K5-00
Unavailable
20
BOLT, BUTTON
92017-08070-00
Unavailable
22
WASHER, PLATE(3XP)
90201-086P8-00
Unavailable
23
TENSIONER
3JD-22178-20-00
Unavailable
24
BEARING (3X3)
93300-60804-00
Unavailable
25
COLLAR(1NL)
90387-086N4-00
Unavailable
26
BOLT, BUTTON
92017-08070-00
Unavailable
28
WASHER, PLATE(3XP)
90201-086P8-00
Unavailable
29
BAND
1UA-82591-00-00
Unavailable
30
DAMPER, SIDE COVER
3XJ-21717-00-00
Unavailable
31
WRENCH, HEXAGON
56A-28166-00-00
Unavailable
