- Partiron
- OEM Parts
- Yamaha
- motorcycle
- 1991
- YZ250B1 (YZ250) 1991
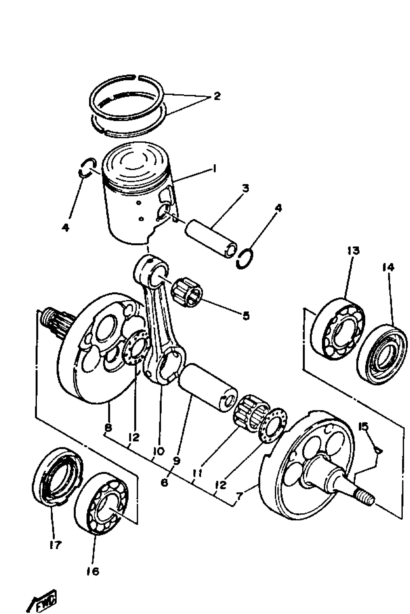
CRANKSHAFT PISTON
Yamaha YZ250B1 (YZ250) 1991 CRANKSHAFT PISTON Diagram
#
Description
Price
1
PISTON STD
3XK-11631-01-A0
Unavailable
1
PISTON STD
3XK-11631-01-B0
Unavailable
1
PISTON STD
3XK-11631-01-C0
Unavailable
1
PISTON STD
3XK-11631-01-D0
Unavailable
2
PISTON RING SET (STD)
3XK-11601-00-00
Unavailable
3
PIN, PISTON
2VM-11633-01-00
Unavailable
6
CRANKSHAFT ASSEMBLY (3XK-11400-00)
3XK-11400-01-00
Unavailable
7
. CRANK 1
3XK-11412-01-00
Unavailable
8
. CRANK 2
3XK-11422-01-00
Unavailable
9
PIN, CRANK 1
4SR-11681-00-00
Unavailable
10
ROD, CONNECTING
5X5-11651-03-00
Unavailable
11
BEARING, CYLINDRICAL(4JW)
93310-425P2-00
Unavailable
13
BEARING(4GY)
93306-37804-00
Unavailable
14
OIL SEAL(1LX)
93102-22363-00
Unavailable
15
KEY WOODRUFF 146115450000
90280-03017-00
Unavailable
16
BEARING(4GY)
93306-37804-00
Unavailable
17
OIL SEAL (434)
93103-40091-00
Unavailable
