- Partiron
- OEM Parts
- Yamaha
- motorcycle
- 1991
- YZ250B1 (YZ250) 1991
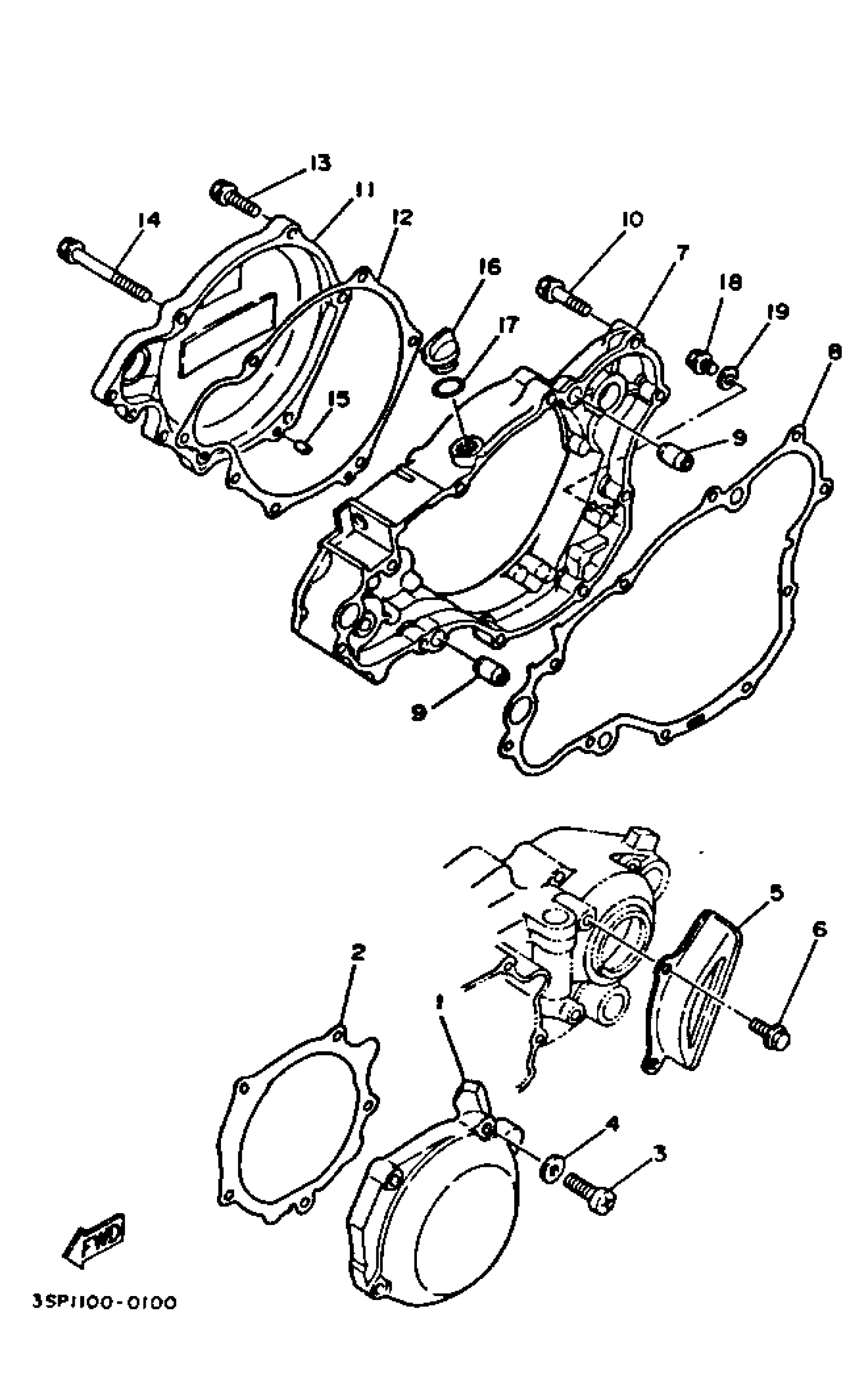
CRANKCASE COVER 1
Yamaha YZ250B1 (YZ250) 1991 CRANKCASE COVER 1 Diagram
#
Description
Price
1
COVER, CRANKCASE 1
2VM-15411-00-00
Unavailable
3
SCREW, PAN HEAD(6E0)
97885-06030-00
Unavailable
5
COVER, CRANKCASE 2
2VM-15421-02-00
Unavailable
7
COVER, CRANKCASE 3
3SP-Y1543-00-00
Unavailable
8
GASKET, CRANKCASE COVER 3
2VM-15462-11-00
Unavailable
11
COVER, GENERATOR
4EW-15415-00-00
Unavailable
16
PLUG, OIL LEVEL
1G8-15362-00-00
Unavailable
17
O-RING (26H)
93210-14579-00
Unavailable
18
BOLT, FLANGE(3BM)
95024-06008-00
Unavailable
19
GASKET 838153840000
90430-06016-00
Unavailable
