- Partiron
- OEM Parts
- Yamaha
- motorcycle
- 1976
- YZ125X (YZ125X) 1976
SHIFTER 2
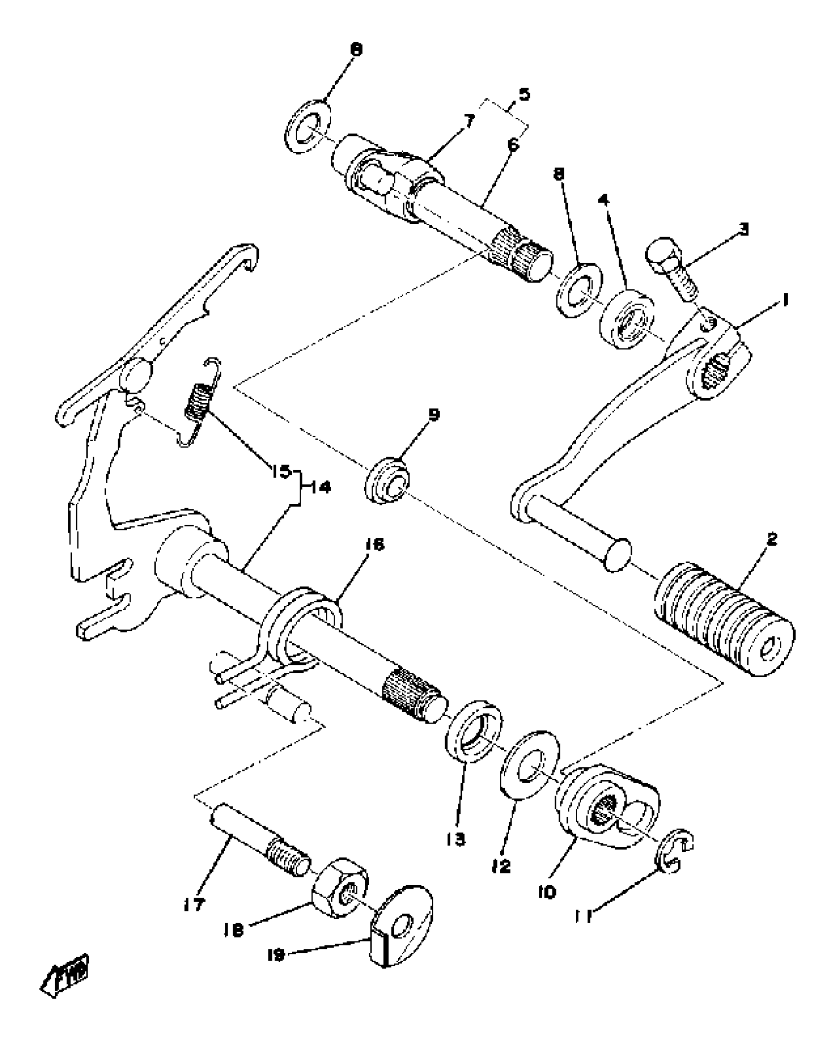
Yamaha YZ125X (YZ125X) 1976 SHIFTER 2 Diagram
#
Description
Price
1
PEDAL, CHANGE
2W5-18111-00-00
Unavailable
5
SHIFT SHAFT ASY 2
401-18102-02-00
Unavailable
6
SHAFT,SHIFT 2
401-18155-02-00
Unavailable
7
LEVER, SHIFT 3
401-18151-00-00
Unavailable
10
LEVER, CHANGE 4
401-18152-01-00
Unavailable
14
SHIFT SHAFT ASSEMBLY.1
525-18101-01-00
Unavailable
15
SPRING TENSION 132181230000
90506-09009-00
Unavailable
16
SPRING TORSION 353181240000
90508-32054-00
Unavailable
17
SCREW, SPEC''L SHAPE
90149-08096-00
Unavailable
18
NUT (583)
90170-08193-00
Unavailable
19
WASHER LOCK 248181390000
90215-08014-00
Unavailable
