- Partiron
- OEM Parts
- Yamaha
- motorcycle
- 1988
- YZ125U (YZ125U) 1988
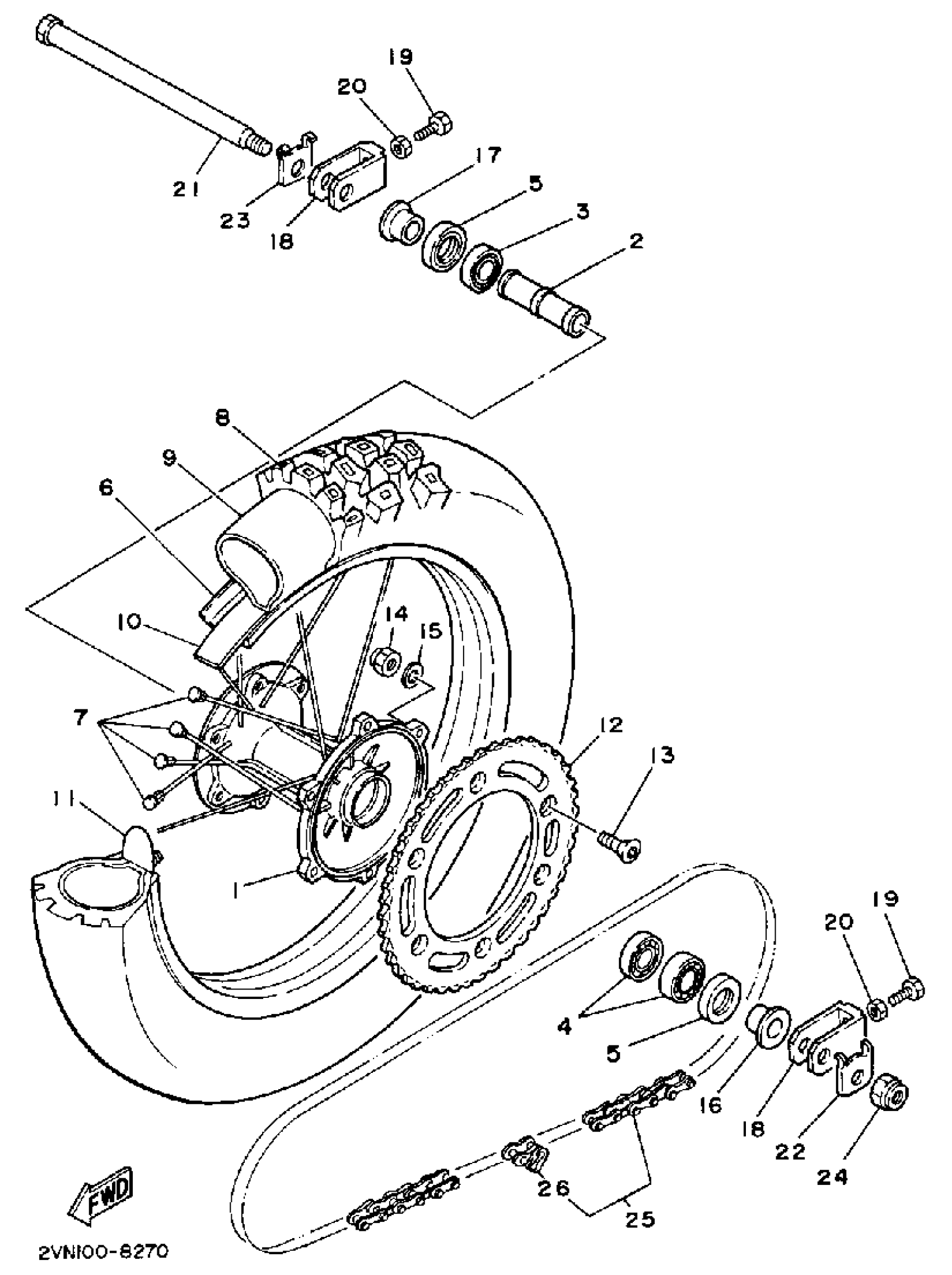
REAR WHEEL
Yamaha YZ125U (YZ125U) 1988 REAR WHEEL Diagram
#
Description
Price
1
HUB, REAR
2VN-25311-00-98
Unavailable
6
RIM 1.85
94418-18452-00
Unavailable
7
SPOKE SET, REAR
2VN-25304-00-00
Unavailable
8
100/100-18 59MK695
94110-180Y2-00
Unavailable
11
SPACER, BEAD
2X3-25394-00-00
Unavailable
12
SPROCKET, DRIVN 44T
(39W-25444-00-00)
Unavailable
12
SPROCKET, DRIVN 45T
(39W-25445-00-00)
Unavailable
12
SPROCKET, DRIVN 46T
(39W-25446-00-00)
Unavailable
12
SPROCKET, DRIVEN 48T
3R4-25448-01-XX
Unavailable
12
SPROCKET, DRIVEN (49T) (2HH-25449-00-00)
3R4-25449-01-XX
Unavailable
12
SPROCKET, DRIVEN 50T
3R4-25450-01-XX
Unavailable
12
SPROCKET, DRIVEN 52T
3R4-25452-01-XX
Unavailable
13
BOLT(3RB)
90109-081G1-00
Unavailable
14
NUT, U
95617-08100-00
Unavailable
15
WASHER, PLATE(3XP)
90201-086P8-00
Unavailable
16
COLLAR
90387-2000C-00
Unavailable
17
COLLAR
90387-2000B-00
Unavailable
18
PULLER, CHAIN 2
57H-25389-01-00
Unavailable
19
BOLT
90101-08060-00
Unavailable
20
. NUT
95380-08700-00
Unavailable
21
AXLE, WHEEL
23X-25381-00-00
Unavailable
22
WASHER, PLATE (90201-210G3)
90209-21243-00
Unavailable
23
WASHER, PLATE (90201-180G2)
90209-18244-00
Unavailable
24
NUT, SELF-LOCKING
90185-18009-00
Unavailable
25
CHAIN (2VN)
94581-13112-00
Unavailable
26
JOINT, CHAIN
94681-68001-00
Unavailable
