Partiron

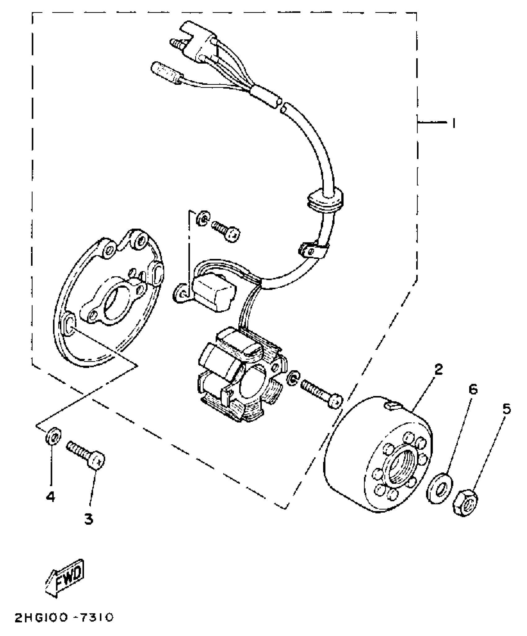
Yamaha YZ125T (YZ125T) 1987 GENERATOR Diagram

#

Description
Price

1

STATOR ASSEMBLY

2HG-85510-K0-00

Unavailable

2

ROTOR ASSEMBLY

2HG-85550-K0-00

Unavailable

3

SCREW PAN HEAD

98580-06020-00

$8.49

4

WASHER, PLAIN (646)

92990-06600-00

$2.80

5

NUT(3BM)

95314-10600-00

$2.39

6

WASHER, PLATE (3L6)

90201-10774-00

$9.49